Конструкция плужных корпусов
Корпуса ЛН-3-35 могут быть винтовые, культурные и полувинтовые. Культурные являются наиболее слабыми и пригодны только для возделывания старопахотных почв. Винтовые в состоянии пахать землю, сильно заросшую бурьяном и целину.
Рама плуга ПЛН-3-35 Модификация с бороной
Полувинтовой корпус – это агрегат средней мощности, позволяющий вспахивать залежалые почвы. К нему монтируется удлиненное перо, с помощью которого мощность полувинтового корпуса становиться более высокой, чем у культурного.
Корпусная конструкция напрямую зависит от вида почвы, которую предполагается обрабатывать. Если, например, необходимо вспахать почву тяжелого типа с измельчением под посадку корнеплодов, придется прибегнуть к применению комбинированного корпуса. В нем отвал и лемех укорочены, однако есть ротор, получающий привод от ВОМ тягового агрегата и который своими лопатками измельчает почву тяжелого типа.
Регулировка перед эксплуатацией
Чтобы была произведена настройка плуга ПЛН 3 35 на МТЗ, перед началом работы следует использовать специальные площадки. Это делается ещё до того, как агрегат выходит в поле. При этом используются специальные подложки, габариты которых определяются глубиной будущей вспашки. Установка проводится слева и справа, под колёсами для опоры. После этого на площадку опускается сам плуг трёхкорпусной, лемехи.
Деталь прокручивается до достижения полного соприкосновения с поверхностью. В процессе участвует винт колеса опоры.
На следующем этапе сам плуг выравнивается. Незаменимыми помощниками на данном этапе становятся центральная тяга и тракторная навеска. Регулировка плуга относительно площадки – главная операция, выполняемая в данном случае. Плоскость продольного и поперечного типа применяются в равной степени.
Передние отверстия, у продольных тяг снабжаются раскосами агрегата. Только специальная автосцепка может быть использована, чтобы соединить раму с верхней тягой. Применение паза недопустимо, оно может привести к дополнительным проблемам. Придётся спустя какое-то время купить б/у плуг на замену.
51,5 сантиметров – расстояние, которого надо придерживаться между осями шарниров. Для этого устанавливается так называемый левый раскос. Его длину нельзя будет поменять, когда уже проводится основная работа.
Обязательно почитайте: Трактор John Deere 8430
На стойку легко установить требуемую глубину по возделыванию земли. 2/3 от заданной ранее глубины – оптимальная величина параметра. На полную глубину опускается корпус позади, а часть спереди уходит на половину предыдущего значения. Если параметры не совпадают, то требуется дополнительная регулировка. Эти же действия предполагает и чертёж плуга ПЛН 3 35.
Дополнительные нюансы
Следующие правила помогут продлить эксплуатационный срок:
- Для разворота требуется установка агрегата в специальное положение. Иначе исходные характеристики невозможно будет сохранить на долгое время.
- Запрещается проводить круговую вспашку.
- От крутых поворотов рекомендуется отказаться.
- Контроль дорожного просвета позволяет избежать аварий.
- Вспашка при силовой настройке требует избавиться от колеса опоры. Тогда выдержка глубины происходит автоматически.

Плуг в работе
Хранение приспособления предполагает использование нескольких схем:
- Межсменное при перерывах в использовании до 10 дней.
- При перерывах в 10 дней – 2 месяца оно будет кратковременным.
- Длительное – при перерывах на два месяца и больше.
Плуги могут храниться как на закрытых, так и на открытых площадках, если имеется соответствующее оборудование. При этом обязательным требованием становится выполнение работ, связанных с консервацией и герметизацией, снятием основных частей. Некоторые из них требуют отдельного хранения в складских условиях.
Когда плуги готовятся к хранению, необходимо дать оценку общему техническому состоянию, не только всего комплекта, но и отдельных деталей. Один раз в два месяца требуется проводить проверки агрегата, даже если его эксплуатация не осуществляется. При использовании навесов и открытых площадок такие действия осуществляются каждый месяц. Немедленно проверка требуется, если прошли сильные дожди и ветры, снегопады.
Обязательно почитайте: Трактор Т 40
Техническое обслуживание проводится под строгим контролем лица, которое несёт ответственность за хранение. Постановка на длительный учёт либо снятие, обязательно регистрируются в специальных журналах, требуют письменной фиксации.
Где можно приобрести плуг ПЛН 3 35
Покупку ЛН-3-35 желательно осуществлять непосредственно у производителя. В таком случае его цена может быть 50-60 000 рублей. Можно приобрести и б/у устройство по довольно невысокой цене. Если же решено купить плуг ПЛН-3-35 у дилеров сельхозтехники, то его цена может доходить до 80 000 рублей. Это во многом зависит от региона и наценки, устанавливаемой продавцом.
| Производитель | Цена, рублей |
| Формат Агро (Воронеж) | 56 500 |
| Агро сервер (Москва) | 55 450 |
| Алтайсельмаш (Алтай) | 57 000 |
| ПрофТехКомплект (Уфа) | 59 000 |
ПЛН-3-35, независимо от того новое это оборудование или б/у, благодаря своим техническим характеристикам позволяет осуществлять качественную вспашку практически всех видов почв, кроме каменистых, на глубину до 30 см. При обработке почвы не образуются гребни, а борозды получаются ровные, без образования развалов. Агрегат не допускает холостых прогонов, что позволяет качественно обрабатывать почву, экономя при этом топливо.
Click to rate this post!
Устройство и принцип действия ПЛН-5-35
Плуга ПЛН-5-35 предназначен для вспашки почв с удельным сопротивлением до 0,09 МПа, не засоренных камнями, на глубину до 30 см. Агрегатируется с тракто- рами третьего класса Т-150, Т-150К, ДТ-75М, МТЗ-1221 и Рабочая ско- рость 10 км/ч. Состоит из рабочих и вспомогательных органов. Рабочие органы (рис. 1) — корпус 2, предплужник 1 и плоский нож (на рис. не показан). Вспомогательные органы — рама 4 с прицепным или навесным устройством, опорное колесо 7, механизм заглубления и выглубления корпусов. Предплужник устанавливают впереди каждого корпуса плуга так, чтобы он снимал 8…12 см верхнего слоя почвы. Снятый пласт шириной, равной 2/3 ширины захвата корпуса плуга, укладывается предплужником на дно борозды позади идущего корпуса. Предплужник состоит из лемеха, отвала и стойки.Ножи служат для отрезания пласта в вертикальной плоскости с целью получения гладкой стенки и чистого дна последней борозды. Применяют ножи трёх типов: дисковые, черенковые и плоские с опорной лыжей (рис. 2).
Рисунок 1 — Общий вид плуга ПЛН-5-35: 1 — предплужник; 2 — корпус; 3 — прицепка для борон; 4- рама; 5 — кронштейн дискового ножа; 6 — винт регулирования глубины вспашки; 7 — опорное колесо; 8 — раскос; 9 — присоединительная проушина; 10 — продольная балка; 11 — подкосы навески; 12 — кронштейны присоединительных пальцев; 13- присоединительные пальцы; 14 — поперечная балка
Черенковый нож (рис. 2, б) применяют на плугах специального назначения: плантажных, ярусных, лесных и др. Он разрезает пласты и мелкие корни, а крупные корни и древесные остатки выворачивает на поверхность. Толщина лезвия не более 0,5 мм, угол заточки 10…15? . Нож прост по конструкции и достаточно прочен, однако хуже дискового перерезает растения и пожнивные остатки, чаще забивается, кроме того, оказывает большее сопротивление при движении машины;
Плоский нож с опорной лыжей (рис. 2, в) устанавливают на кустарниково-болотных плугах.
Рисунок 2 — Типы ножей для плугов: а — корпус плуга с дисковым ножом; б — корпус плуга с черенковым ножом; в — корпус болотного плуга с плоским ножом и опорной лыжей. 1 — диск; 2 — вилка; 3 — корончатая гайка; 4 — ось; 5 — накладка; 6 — лезвие че- ренкового ножа; 7 — спинка; 8 — черенок; 9 — плоский нож; 10 — лыжа; 11 — опорная пластин
Рама служит для крепления всех рабочих органов плуга, а также для приложения тягового усилия. У плуга ПЛН-5-35 рама плоская, сваренная из пустотелых балок: главной 4, продольной 10 и поперечной прямоугольного профиля 14. К главной балке приварены угольники для крепления стоек корпусов и кронштейнов пред- плужника. Вынос предплужника относительно корпуса регулируют перемещением хомута по кронштейну, а глубину его хода — перемещением стойки по высоте. Дисковый нож за- креплён на кронштейне 5. Рама плуга во время работы опирается на колесо 7, положение которого по высоте можно изменять винтовым механизмом 6. Так регулируют глубину вспашки.
Корпус — основной рабочий орган плуга. В его состав (рис. 3) входят: стойка 1 с башмаком 2, на которой закреплены лемех 4, отвал 5 и полевая доска 3. Рабочими частями корпуса плуга являются лемех и отвал, а служебными — полевая доска и стойка.
Лемех, подрезая пласт, изменяет форму и затупляется, это может привести к нарушению технологического процесса вспашки. Кроме того, по мере затупления лемеха возрастает тяговое сопротивление плуга и увеличивается расход топлива.
Рисунок 3 — Корпус отвального плуга: 1- стойка; 2-башмак; 3- полевая доска; 4-лемех; 5-отвал
Для придания отвалам достаточной прочности их изготовляют двух и трехслойными. Твёрдые наружные поверхности обеспечивают достаточную износостойкость, а мягкий внутренний слой придаёт прочность устойчивость от изгибающего момента и ударов почвы.Полевая доска обеспечивает устойчивый ход корпуса, разгружает стойку от боковых усилий, предупреждает осыпание стенки борозды. Полевой доской корпус опирается на стенку борозды, поэтому она испытывает большие усилия и сильно истирается, особенно у заднего корпуса. Её крепят к стойке с тыльной стороны под углом 2…3? к стенке борозды. Иногда у заднего корпуса устанавливают удлиненную полевую доску или к концу доски крепят сменную пятку. Отвал, лемех и полевую доску плотно крепят к стойке болтами с по- тайными головками. Стойки корпусов представляют собой литые, штампованные или сварно-штампованные детали, в нижних частях которых расположено седло (башмак), по форме соответствующее прикрепляемым к нему поверхностям лемеха и отвала.
Рекомендации от практиков
- Для обработки не паханых, задернелых и поросших кустарником площадях корпуса плуга модернизируют, устанавливая усиленные, широкие полевые доски для работ в жёстких условиях. Применение удлинённой полевой доски на последнем корпусе повышает устойчивость хода агрегата в борозде.
- При допустимом износе лемеха реставрируют кузнечной оттяжкой с последующей заточкой лезвия. Толщина тела режущего органа допускает до 4х подобных восстановлений.
- Электродуговая наварка электродами марки Т-590, Т-620 режущих кромок лемехов и наиболее стираемых поверхностей полевых досок значительно увеличивает ресурс работы деталей. Электродами данной марки обеспечивают легированный, твердосплавный защитный слой. Наплавку осуществляют максимум в два слоя. При значительном износе для восстановления геометрических размеров детали наварку осуществляют электродами типа «Ф» с фтористо – кальциевой обмазкой УОНИ 13/45, 13/55, 13/65, которые обеспечивают высокую ударную вязкость и мелкозернистую структуру без трещин в наплавленном слое. После наплавки тела детали восстановленный участок покрывают последующей наплавкой защитного слоя электродами Т-590,620.
- При засорённом поле с крупными пожнивными остатками и сорняками часто механизаторы сталкиваются забиванием плуга. Особенно часто это происходит на плугах ПЛН 3-35 советского производства с низкими стойками корпусов с зазором от полевой доски до рамы 600 мм. Для увеличения уровня можно переустановить рабочий орган, смещая вертикальное крепление корпуса к стойке на одно крепёжное отверстие вниз. При этом корпус устанавливается только на три болта, вместо четырёх. Таким образом, просвет между рамой и нижним ходом корпуса увеличиться на 50 мм и засорение плуга значительно снизится.
- При постановке на хранение плуга для предотвращения коррозии зеркала зашлифованных рабочих поверхностей — корпуса можно покрыть тонким слоем смазки.
Применение тракторов МТЗ 82(80) с другими пахотными машинами обусловлено мощностью трактора. Передовые технологии обработки земли предполагают работу с чизельными плугами для безотвального глубокого рыхления. К сожалению самая малая модификация такой машины с захватом в ПЧ 2,5 требует мощности не менее 130 л.с и агрегатируется с новыми марками МТ3 1221, 1523, 2022.
Чизельный плуг ПЧ 2,5
В частных условиях механизаторы конструируют чизельные плуги для МТЗ 82(80) используя мощные части рам старых тяжёлых дисковых борон БДТ или культиваторов КПС присоединяя пару регулируемых опорных колес. Рабочие органы приобретают у производителей сх. машин обеспечивая ширину захвата до 1,5 м.
Преимущества ПСК
- лемех имеет две режущих кромки;
- специальная напайка на рабочем органе повышает срок его эксплуатации;
- ширина обработки одним лемехом составляет 600 мм;
- эффективность использования увеличена на 50-70%;
- экономия горючего до 9 л/га;
- благодаря тому, что рамы из твутавра, оснащены продольными ребрами жесткости, — достигается высокая прочность оборудования;
- винтовой отвал позволяет переворачивать почвенный пласт на 180˚.
Продолжая перечислять преимущества, то стоит сказать о сравнительных испытаниях, проведенных на полях Краснодарского края, плуга ПСКу-5 и ПЛН 5-3,5, установленных на трактора Т-150К, при вспашке поля 100 га. Так что плуг ПСКу-5 получил высокую оценку и самые прекрасные отзывы. К тому же цены на данное оборудование довольно приемлемые.
Модельный ряд плугов на МТЗ-80(82), их конструктивные особенности
Детально рассмотрим момент, какие бывают плуги на МТЗ-80(82).
Разновидности плугов
Существуют следующие виды плугов, которые могут быть установлены на МТЗ:
- оборотные;
- на дисковой основе;
- лемешные;
- чизельные;
- смешанные.
Модели плугов лемех являются наиболее старыми, сейчас их практически не применяют. Плуги на дисковой основе используются для работы со сложной почвой (например, слишком сухой или наоборот, чрезмерно влажной). Оборотные и комбинированные модели плугов сейчас распространены в наибольшей степени. Они созданы для работы с любыми видами почвы. Чизельный вид считает условным видам плугов, так как он не вспахивает почву в полном объеме, а только его части.
Чизельные плуги
Ассортимент чизельных плугов достаточно обширный.
ПЧ4.5-Алмаз
Данный плуг весит 1600 кг, а если добавить к нему каток, то вес увеличивается до 2500 кг. Габариты изделия имеют следующие соотношение: 2,8/4,5/1,9 метров. Данное устройство подходит практически для любых видов сельскохозяйственной техники.
ПЧ2.5-Алмаз
Данный вид плуга немного проще чем описанный выше. Он имеет облегченный вариант рамы, поэтому весит 730 кг. Плуг имеет 11 рабочих частей.
ПЧ6-Алмаз
Этот плуг имеет достаточно прочные соединения. Он весит 5700 кг. Плуг является трехкорпусным и у него 16 рабочих деталей.
Лемешные плуги
Лемешные плуги имеют очень простую конструкцию.
ПЛН435
К данному плугу в отличие от вышеописанного можно прикрепить специальное колесо.
Навесные плуги для МТЗ. ПЛН-3-35, 4-35(у), 6-35, 8-40
от 86 860 р 491 159 тенге. быстрая покупка
Описание
Назначение
: вспашка с оборотом пласта почв, не засоренных камнями, плитняком и другими препятствиями, на глубину до 30 см.
Рама состоит из основной и продольной балок трубчатого сечения. На балке крепятся державки корпусов. Рабочие органы — корпуса, шириной захвата 35 см.
На всех плугах используется лемех, наплавленный ПЛЖ 31702 производства ОАО «АСМ-Запчасть» изготовленный и наплавленный по ГОСТу, отвал П-401 (толщина 7 мм), доска полевая (боковина) толщиной 14 мм. Для удобства обслуживания все элементы, имеющие резьбовые соединения, оцинкованы.
Для улучшения качества оборота пласта все модели плугов могут комплектоваться предплужниками.
Плуги ПЛН-4-35 и ПЛН-5-35 выпускается в 2-х модификациях: классической и универсальной.
Универсальный плуг имеет 2 тяги раскоса и перемещаемые по передней балке понизители, что дает возможность агрегатирования ПЛН-4-35 как с трактором ДТ-75, так и с МТЗ-1221 (трактор не идет по борозде), а ПЛН-5-35 как с Т-150, так и с МТЗ-1523.
Модели
Плуги навесные ПЛН предназначены для обработки почвы, отличающейся низким уровнем засоренности сорняками. и плетнями. Специалисты советуют купить плуг в соответствии с глубиной обработки почвы, это может быть серия 3-35, 4-35, 5-35 и 6-35, которые производят работы на глубине от 300 до 600 мм соответственно. Конструкция плуга бывает корпусной и безскорпусной, при его наличии устанавливаются углоснимы, что не требует использования предплужника. Когда на корпусе имеется вертикальный нож, то также отпадает потребность в использовании дискового ножа.
Навесной плуг разработан для разгрузки подвески трактора и других узлов. Благодаря регулировке глубины вспахивания можно гарантировать прекрасную обработку земли, независимо от ее вида, при этом происходит качественный переворот земляных пластов.
Преимущества плугов
- высокая прочность и надежность рамной конструкции;
- отличная глубина и полноценная заделка травы, сорняков;
- легкое и удобное использование;
- конструкция подвески со небольшим смещением центра тяжести;
- минимальный радиус поворота;
- защита от твердых пород и камня.
Если раньше, чтобы купить плуг для МУТЗ нужно было подбирать ширину захвата, то теперь есть регулировка, обеспечивающая наименьшее сопротивление во время вспахивания. Рамные шарниры позволяют приспособить устройство к разным рельефам и эффективно справляться с серьезными неровностями.
Комплектация
- плуг ПЛН поставляется в продажу в готовом виде, при необходимости разбирается;
- в комплекте идет руководство пользователя и прочая документация;
- гарантия с момента эксплуатации, сохраняемая при соблюдении установленных правил пользования, консервации и требований к хранению;
- устройства агрегатируются с тракторами мощностью 1,4 кН, это могут быть тарктора ДТ-75, МТЗ-1221, Т-150 и МТЗ-1523;
- для эксплуатации плуга хватает одного человека.
Конструкция опорного колеса располагает регулировочным винтом для изменения глубины возделывания почвы. В зависимости от того, как глубоко требуется вспахать почву, устанавливается предплужник. Плуг ПЛН имеет цельную стойку, к которой крепятся основные лемехи, отвал и полевая доска. Конструкция предплужника небольшая, его задачей является заделка остатков сорняков. Эффективность обеспечивается стойками и лемехом отвала. Колеса позволяют регулировать глубину вспахивания, а навеска, соединяет трактор и плуг. В зависимости от модификации плуг для трактора устанавливается на модели Беларус, Т-74 и ДТ-75.
Наладка агрегата
Прежде чем вывести оборудование для непосредственной работы нужно произвести его наладку на специальной площадке. Требуется взять специальные подставки, как показано на чертеже, соответствующие глубине предполагаемой обработки, минус 2-5 см., и установить их под тракторные левые колеса и опорное плужное колеса. Далее агрегат с лемехами требуется опустить на площадку. С помощью винта опорное колесо подкручивается до тех пор, пока лемеха не соприкоснутся с поверхностью площадки.
После этого необходимо при помощи центральной тяги и раскоса тракторной навески выровнять ЛН-3-35. Главное, что нужно произвести при наладке агрегата, так это отрегулировать положение оборудования параллельно площадке. К тому же регулировка должна выполняться как в продольных, так и в поперечных плоскостях. На продольные тяги к передним отверстиям крепятся раскосы плуга. Крепление рамы с верхней тягой через специальное отверстие необходимо выполнять только при помощи автосцепки. Если крепление осуществлено через выемку, то это может привести к тому, что при пахоте агрегат будет занимать неустойчивое положение.Регулировка ограничителей агрегата ПЛН-3-35 выполняется так, чтобы оставался незначительный провис. При перевозке плуг должен колебаться не больше чем на 20 мм. Чтобы правильно выполнить регулировку можно просмотреть тематическое видео. Между шарнирными осями требуется установить левый раскос навески тягового агрегата с расстоянием 515 мм.
Прежде чем проложить начальную борозду нужно, по имеющимся на стойке опорного колеса отметкам, установить глубину обработки, которая составляет 2/3 от заданной. При прокладывании первой полосы следует удостовериться, что задний корпус устройства производит вспашку на глубину заданную опорным колесом, передний – только на половину от этого значения. После прохода 2-3 борозд необходимо произвести окончательную настройку.
Навесной плуг должен быть устойчивым и двигаться по бороздам ровно, как видно на видео
Требуется контролировать, чтобы не происходило перекоса рамы, и она постоянно находилась параллельно поверхности земли. Также нужно проверить, устраивает ли ширина и равномерность глубины обработки.
В том случае, когда правая часть рамы находится выше или ниже, чем левая, то следует удлинить либо укоротить правый раскос тяги навеса тягового агрегата. Если же задний корпус выполняет вспашку земли глубже или мельче, чем передний, то следует увеличить или уменьшить верхнюю тягу.
После выполнения настройки всей системы можно начинать пахоту. При этом нельзя менять настройки на протяжении всей обработки участка. После обработки одного участка, и необходимости перехода на другое поле, систему нужно настроить заново, придерживаясь этой же схемы.
Самодельный тракторный плуг
Покупка агрегата может обойтись довольно дорого, поэтому на выручку приходит возможность сделать плуг для МТЗ-82 (или МТЗ-1221) своими руками.
Есть более простая конструкция, которая в принципе выполняет те же самые задачи, что и плуг — самодельный культиватор на МТЗ-80. Разница между ними заключается в том, что плуг вспахивает почву, переворачивая при этом пласты земли, а культиватор землю просто пропахивает. Однако самодельный культиватор для трактора МТЗ — популярное устройство, так как сделать его проще, чем самодельный плуг.
Для грамотного изготовления плуга трактористу придется воспользоваться хорошими чертежами квалифицированных специалистов, поэтому лучше поискать. Некачественный чертеж негативно скажется на последующей конструкции и качестве вспашки почвы, значит, и урожайности. При конструкции самодельного культиватора, напротив, подойдет и схематичный чертеж.

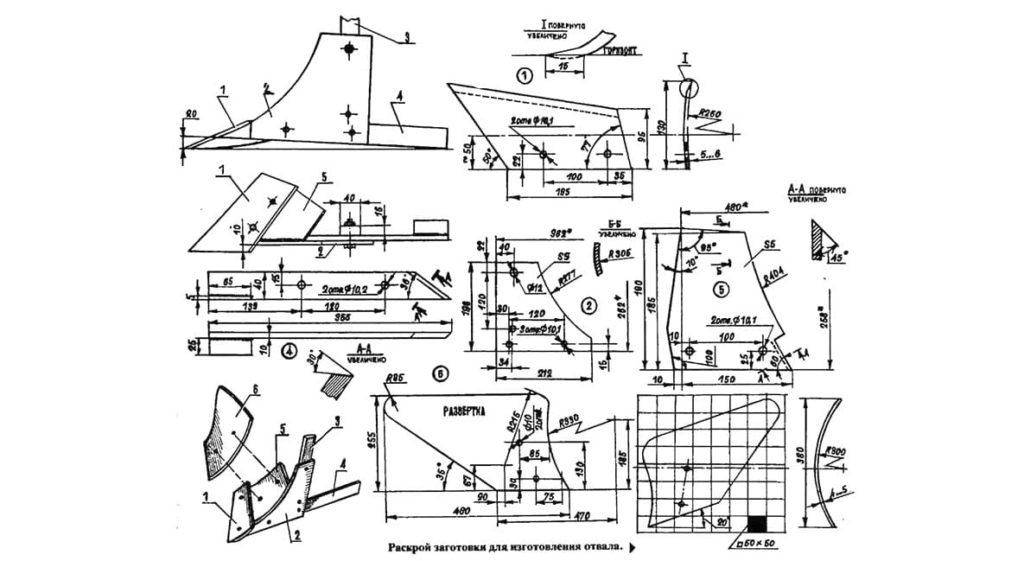
После того как чертеж готов, его нужно перенести на твердый картонный лист и вырезать шаблон. Чтобы сделать плуг, нужно использовать материалы из нержавеющей стали или другого, более твердого металла. Так, можно использовать старую рессору от отечественного автомобиля или даже диск циркулярной пилы.

Рассмотрим процесс изготовления плуга. Даже мастеру, имеющему минимальный опыт в конструировании подобной техники, под силу создать простейший навесной плуг — однокорпусной, с использованием поворотных механизмов. Такое дополнительное тракторное оборудование включает в себя лемех и отвал на МТЗ. Для изготовления представленных элементов потребуются только стальные листы. В этом случае самоделка конструируется по определенному алгоритму.

- Производство лемеха из дискового элемента, снятого с циркулярной пилы. Чтобы заточить режущую часть, необходимо отбить ее на наковальне, как отбивается обычная коса или плоскорез.
- Следующий этап — изготовление отвала. Процесс довольно простой и требует минимальных навыков. Понадобится металлическая труба.
- Финальный этап — изготовление прочих элементов конструкции. Такая переделка не представляет особой сложности.
Для того чтобы собрать качественный самодельный оборотный плуг, нужно использовать специальные клинья с углом в 25°. После установки клиньев на вспомогательный металлический лист устанавливается лемех, который в свою очередь закрепляется на полотне при помощи сварочного шва.
Щитки, расположенные с боков, крепятся на лемех в вертикальном положении, для этого нужно выполнить дуговую сверку. Необходимо следить за тем, чтобы боковой щиток выходил за лемех на 8 мм и располагался выше лезвия на 10 мм. В конце процесса нужно создать сплошную поверхность, сваривая между собой лемех и отвал.
Пошаговая инструкция изготовления:
- перед тем как производить сборку, необходимо создать макет из картона;
- лучше всего делать изделие из стали серии 9ХС;
- если макет был составлен правильно, то плуг будет собрать достаточно просто;
- при помощи сварки прикрепить лемех к листу стали;
- сверху прикрепить боковой щиток с наложением на конструкцию;
- после этого прикрепить лемех к отвалу, угол крепления 6-8 градусов;
- мотоблок нужно закрепить на какой-нибудь надежной опоре;
- необходимо снять колесо с ТС;
- на ось крепится специальное устройство вала;
- закрепляем ось рядом с колесом и фиксируем шурупами;
- при помощи гаек прикрепляем полученное устройство к мотоблоку;
- гайки должны быть закручены не полностью, чтобы была возможность регулировки.
Подробное видео по сборке плуга можно найти в интернете.
Необходимые материалы и инструменты
Для того, чтобы сделать плуг своими руками, необходимы следующие инструменты и материалы:
- вальцы;
- болгарская пила;
- заточка;
- резак по металлу;
- различные крепежи;
- труба, диаметр которой определяется под плуг;
- другие крепежные элементы;
- аппарат для сварки.
Плуг ПСКу-6 и ПСКу-8
Данные модели практически аналогичны вышеописанным устройствам, с той лишь разницей, что данное оборудование имеет шесть и восемь рабочих узлов, соответственно. В остальном же оно похоже на остальные плуги данной серии, да и цены на оборудование соответствуют качеству выполняемых работ.
На представленном видео показана работа ПСКу-8.
Характеристики
| ПСКу-2 | ПСКу-3 | ПСКу-5 | ПСКу-6 | ПСКу-8 | |
| Количество рабочих элементов | 2 | 3 | 5 | 6 | 8 |
| Ширина кромки лемеха | 600 мм | ||||
| Ширина вспашки | 1200 мм | 1800мм | 3000мм | 3600мм | 4700мм |
| Глубина вспашки | до 300 мм по вертикальной кромке и до 250 мм – по горизонтальной | ||||
| Дробление почвы | 75-90% | ||||
| Скорость | до 10 км/ч | ||||
| Производительность | 0,5-1,0 га/ч | 1,4-2,1 га/ч | 2,5-2,9 га/ч | 2,5-2,9 га/ч | 3,9-4,6 га/ч |
| Расход горючего | 10-18 л/ч | 9-15 л/ч | 10-16 л/ч | 10-18 л/ч | 10-18 л/ч |
| Высота стойки | 700 мм | ||||
| Габариты (д/ш/в) | 1800х930х980 мм | 2800х2100х1500мм | 3800х3300х1500 мм | 3600х3320х1400 мм | 4900х4800х1800 мм |
| Вес агрегата | 500 кг | 780 кг | 980 кг | 980 кг | 1 800 кг |
| Мощность используемого трактора | 70 л.с | 90 л.с | 170 л.с | 170 л.с | 300 л.с |
Самодельное навесное оборудование
Практически любое навесное оборудование для трактора возможно изготовить самостоятельно. Это может быть и самодельная картофелекопалка, и самодельная роторная косилка (или сенокосилка), и роторный плуг, культиватор, окучник. Иногда можно переделать какое-либо оборудование, сделав его более функциональным.
Самыми популярными запросами в поисковике остаются конструкция активного плуга на МТЗ или ДТ и вопрос о том, как сделать культиватор своими руками. Ведь культиваторы — верные помощники сельскохозяйственных работников. Самый сложный элемент на МТЗ или ДТ — почвофреза. На переделанном культиваторе с качественной фрезой можно проводить окучивание долгое время.
Понять, как сделать установку навесного оборудования, будь то плуги для тракторов, самодельный культиватор, картофелекопалка для трактора или другие самоделки, несложно. Главное, действовать по заданным алгоритмам и сверяться со схемами и чертежами. Точно также можно без лишних усилий понять, как настроить чизельный плуг колесного трактора. Установить чизели на колесном тракторе — трудоемкий процесс, который тем не менее может сделать сам тракторист.
А что бы выбрали вы? Купить новый плуг или сделать его самостоятельно?
Техника безопасности перед настройкой и сборкой

Нельзя приступать к сборке и настройке плуга для трактора, не зная правила безопасности. Они включают следующие пункты:
- Перед началом движения трактора необходимо подать звуковой сигнал. Только затем плавно начинают движение.
- Перед поднятием и опусканием плуга необходимо убедится что рядом нет животных и людей.
- Запрещено приступать к пехоте при любой неисправности плуга.
- Стоять возле работающего плуга.
- Если ограничительная система цепей у плуга ослабленная нельзя совершать повороты.
- Запрещено сидеть или стоять на раме оборудования во время движения.
- При работающем тракторе регулировать, настраивать или подтягивать крепеж на оборудование.
- Убирать с плуга землю и растительное остатки во время работы, не выключая технику.
- Настройку плуга нельзя производить без дополнительной опоры.
- Прежде чем транспортировать плуг его необходимо поднять и максимально натянуть ограничительные цепи.
- Если крепеж недостаточно затянут, приступать к вспышке нельзя.



































