Промежуточная опора карданного вала МТЗ 82

| № | Количество | Номер по каталогу | Наименование |
| 2 | 72-2203010-А2 | Вал карданный передний и промежуточный (32-34, 37-41) | |
| 16 | 52-2203020 | Болт (19, 36) | |
| 4 | 72-2203025 РН | Крестовина с сальниками и подшипниками (33, 37-39, 41) | |
| 1 | 72-2203010-А | Опора промежуточная (1-18, 21-29) | |
| 16 | 69-2201029-А | подшипник с сальником (39, 41) | |
| 1 | 1 | 72-2209014 | Фланец |
| 2 | 1 | Кольцо 055-065-58-1-4 | |
| 3 | 5 | Болт М8-6gx25.88.35.019 ГОСТ 7796-70 | |
| 4 | 5 | Шайба 8Т ОСТ 37.001.115-75 | |
| 5 | 1 | 72-2209028 | Грязевик |
| 6 | 1 | 72-2209022 | Корпус |
| 7 | 1 | 72-2209023 | Прокладка 22-75х100-1 |
| 8 | 2 | Манжета 2.2.38х58-1 ГОСТ 8752-79 | |
| 9 | 1 | 72-2209013 | Вал |
| 10 | 1 | 72-2209017 | Втулка |
| 11 | 2 | 72-2209019 | Диск |
| 12 | 11 | 72-2209025 | Диск |
| 13 | 10 | 72-2209027 | Диск |
| 14 | 2 | Подшипник 115 ГОСТ 8338-75 | |
| 15 | 1 | 72-2209012 | Втулка |
| 16 | 2 | 72-2209018 | Обойма |
| 17 | 2 | Пробка КГ-3/8″ ОСТ 23.1.117-83 | |
| 18 | 1 | 72-2209011 | Кронштейн |
| 19 | 16 | 52-2203013 | Гайка |
| 20 | Шайба 10 ОТ ОСТ 37.001 | ||
| 21 | 1 | Шплинт 4х25.019 ГОСТ 397-79 | |
| 22 | 1 | 70-3003032 | Гайка |
| 23 | 1 | 52-1802079 | Шайба |
| 24 | 1 | 52-1802078 | Фланец |
| 25 | 1 | 72-2209016 | Шайба |
| 26 | 1 | Кольцо 038-046-46-1-4 ГОСТ 9833-73 | |
| 27 | 6 | 72-2209021 | Пружина |
| 28 | 2 | 52-2308094 | Штифт |
| 29 | 2 | 12-12-306 | Кольцо |
| 30 | 3 | Шайба 16 ОТ ОСТ 37.001.115-74 | |
| 31 | 3 | Болт М16-6gx40.88.35.019 ГОСТ 7796-70 | |
| 32 | 2 | 72-2203015-Б1 | Вал карданный |
| 33 | 4 | 72-2203030 | Крестовина |
| 34 | 4 | 469-2201023 | Фланец |
| 35 | 4 | 20-2201024 | Прокладка |
| 36 | 16 | 52-2203012 | Болт М10х1 |
| 37 | 16 | 72-2203038 | Муфта защитная |
| 38 | 16 | 69-2201037 | Отражатель |
| 39 | 16 | 69-2201031 | Манжета |
| 40 | 16 | 24-2201043 | Кольцо |
| 41 | 16 | Подшипник 704702КУ2 ТУ 37.006.065-90 |
Принцип действия промежуточной опоры карданного вала МТЗ 82 — при превышении определенного крутящего момента входной и выходной валы начинают проскальзывать относительно друг друга, при его снижении – снова входят в зацепление.
Выполняет роль предохранителя, позволяет не разрушить узлы и агрегаты трансмиссии при запредельных нагрузках. Усилие на разрыв между валами регулируется винтом.
Дальнейшая регулировка ВОМ МТЗ-80
Далее операция проводится следующим образом:
- Демонтируется стопорная пластина 26, вкручиваются винты 21 с усилием 10 кгс, после чего каждый элемент отвинчивается на пару оборотов.
- Болтовой стержень 10 удаляется, освобождая рычаг 11 в исходной позиции для коррекции.
- Болт 9 необходимо закрутить посредством направления его носовой части в углубленную часть стакана 7 до размера «А» 26 мм.
- Переводят рычаг 11 в позицию «Вкл».
- Тягу 4 устанавливают путем регулировки с аналогом 15 до момента совпадения зоны качания рычага 1 в средней части прорези пульта управления.
- По окончании работ ставят на место стопор 26, крышку люка, законтрагаивают тяги 4 и 15 вместе с болтом 9.
На схеме указаны остальные позиции:

На что обратить внимание?
После проведения внешних регулировок несколько раз ось 15 может принять крайнюю левую позицию. Это свидетельствует об израсходовании запаса наружной корректировки. Для нормализации ситуации эксцентрик поворачивают против часовой стрелки до исходной позиции. Затем производят регулировку ВОМ МТЗ-80 способом, указанным выше.
Если все манипуляции произведены правильно, рычаг 1 в позиции «Вкл.» и «Выкл.» не должен доходить до края прорези пульта менее чем 30 миллиметров, при этом переход в нейтраль должен быть четким.
На некоторых модификациях тракторов регулировка ВОМ МТЗ-80 осуществляется без механизма внешней корректировки, в связи с его отсутствием. При этом рассматриваемая операция производится аналогичным способом, указанным выше, только после ремонта или сборки на заводе. На моделях с малогабаритной кабиной индекс «Б» составляет 50-60 миллиметров.
Эффективность тормозной системы и отсутствие пробуксовки зависит исключительно от пружинного приспособления. Особенно это касается наличия свободных рабочих участков и агрегирующих с ними рычагов. Пробуксовка ВОМ свидетельствует о том, что пружины либо рычаги встречают добавочное сопротивление при их передвижении без достаточной смазки в механизмах.
Возможные неисправности ВОМ МТЗ-80, 82, способы обнаружения и устранения
Особо внимательно проверяют механизм усиления, включая и выключая вал отбора мощности и наблюдая за его работо
При этом соблюдают осторожность и придерживаются строгой последовательности:
1)переводят рычаг управления ВОМ в положение, при котором совмещаются технологические отверстия в рычаге 5 валика переключения и в заднем мосту, и заворачивают в них установочный болт 1;
2) свинчивают контргайку 3 по направлению к головке регулировочного болта 2 и после этого заворачивают болт до отказа в рычаг 5 валика п
3) заворачивают до упора стопорный болт 4 в стакан пружины и, придерживая его рукой,осторожно выкручивают регулировочный болт. При его выкручивании освобожденная крышка стакана не должна перемещаться относительно его корпуса
Убедившись в надежности фиксации стакана с корпусом, снимают стакан в сборе. При необходимости разборки зажимают его в струбцине или под прессом и выворачивают стопорный болт 4. Обнаруженные дефектные детали заменяют. Для сборки также используют струбцину или пресс. При неисправности кулачковой муфты снимают кабину и отсоединяют коробку передач от заднего моста. Затем выполняют операции, показанные на рисунке 2, и заменяют изношенные детали
При его выкручивании освобожденная крышка стакана не должна перемещаться относительно его корпуса. Убедившись в надежности фиксации стакана с корпусом, снимают стакан в сборе. При необходимости разборки зажимают его в струбцине или под прессом и выворачивают стопорный болт 4. Обнаруженные дефектные детали заменяют. Для сборки также используют струбцину или пресс. При неисправности кулачковой муфты снимают кабину и отсоединяют коробку передач от заднего моста. Затем выполняют операции, показанные на рисунке 2, и заменяют изношенные детали.
Шумы и стуки в корпусе заднего моста, вращение вала привода ВОМ рывками свидетельствуют об износе шлицев или зубьев
Выпрессовку В
Чтобы спрессовать подшипник № 210 с вала и снять коронную шестерню, выполняют операции, показанные на рисунках 8, 9.
Перед запрессовкой вала с коронной шестерней в сборе в корпус заднего моста совмещают отверстие для болта и проточку в стакане подшипника. Ощу
Чтобы это устранить, ВОМ снимают с трактора. В случае повреждения резьбы гайку свинчивают с вала (рис. 11) и, при возможности, восстанавливают резьбу механической обработкой.
Если резьба не восстанавливается без снятия вала, механизм разбирают. Для этого выполняют операции,
Следы масла на крышке ВОМ указывают на потерю эластичности или разрушение манжет вала.
Чтобы устранить эту неисправность, ВОМ снимают и осматривают прокладку между задним мостом и крышкой, при прорывах прокладку заменяют. Если масло подтекает из-под хвостовика, выполняют операции, показанные на рисунках 11–13, снимают стопорное кольцо, выпрессовывают вал из крышки и заменяют манжеты.
Заметное снижение мощности, передаваемой от трактора к сельскохозяйственной машине, продолжение вращения хвостовика при выключении ВОМ свидетельствуют о нарушении регулировки тормозных лент или о чрезмерном их износе.
При возникновении таких признаков в первую очередь регулируют тормозные ленты.
Если регулир
Значительный шум, увеличивающийся с повышением нагрузки, вращение вала ВОМ с остановками и рывками свидетельствуют о значительном износе подшипников, шлицев, сателлитов или их осей.
Техническое состояние этих деталей определяют после снятия ВОМ. Для осмотра крышку ВОМ зажимают в тисках и, прокручивая хвостовик, осматривают зубья, рукой проверяют перемещение хвостовика в подшипниках. Обнаружив сколы на зубьях, большие перемещения в сопряжениях отдельных деталей или заедание вала, вал отбора мощности разбирают (рис.11–16) и заменяют непригодные детали.
При полной или частичной разборке понижающего редуктора, коробки передач, заднего моста, замены отдельных шестерен, подшипников проводят обкатку трансмиссии, для чего поддомкрачивают ведущее колесо и специальной рукояткой проворачивают хвостовик вала отбора мощности, включая поочередно все передачи. Вал ВОМа при этом должен быть включен на синхронный привод. Все шестерни должны вращаться свободно, без заедания.
Выбираем мотоблок для сада
Подбирая мотоблок для работ на участке необходимо обратить внимание на следующие параметры
Мощность двигателя и вес устройства
По мощности все мотоблоки можно условно разделить на 3 группы:
- Лёгкие. Оснащены бензиновым двигателем до 5 л. с., подходят для работ в мягком грунте. Чаще всего используются в небольших приусадебных хозяйствах. Небольшой вес (порядка 20–30 кг) не позволяет обрабатывать почву на большой глубине.
- Средние. Мотоблоки мощностью до 8 л. с. Могут быть оснащены как бензиновым, так и дизельным двигателем. Весят такие устройства порядка 50 кг, они хорошо подходят для больших участков и мелких фермерских хозяйств.
- Тяжёлые. Оптимальны для фермерских хозяйств, способны обрабатывать целину. Оснащаются мощным двигателем (свыше 8 л. с.) и коробкой передач.
Лёгкие мотоблоки редко оснащаются ВОМ – это прерогатива тяжёлых и средних моделей. Маломощные двигатели просто не тянут дополнительное навесное оборудование.
Глубина культивирования
Этот параметр в зависимости от модели варьируется в пределах 20–35 см. Максимальная глубина вспашки зависит от мощности мотоблока – лёгкой модели не провернуть большой пласт земли и от максимального диаметра фрез. Если фрезы небольшие, мотоблок начнёт «зарываться».
Максимальная ширина культивирования
Этот параметр характеризует способность техники проходить за один заход полосу определённого размера. Чем больше ширина культивирования – тем быстрее агрегат вспашет заданный участок. В зависимости от модели параметр может достигать 170 см. В некоторых мотоблоках ширина культивирования регулируется, давая возможность обрабатывать землю не только на свободных участках, но и в узком междурядье.
Коробка передач
Наличие автоматической или механической коробки передач позволяет менять крутящий момент и скорость движения мотоблока. В зависимости от условий оператор может работать с большим усилием на небольшой скорости либо с меньшим на высокой. Коробка передач позволяет включить задний ход и вытащить агрегат из земли, если он забуксовал или зарылся.
Вес
Вес мотоблоков может колебаться от 30 до 500 кг. Малый вес в культиваторах является скорее недостатком, чем достоинством при обработке больших площадей. Лёгкая машина отличается манёвренностью, но меньшей мощностью и слабой устойчивостью. Тяжёлые агрегаты весом под центнер выигрывают за счёт надёжности, мощности и хорошей проходимости, однако, при работе и транспортировке они требуют больших физических усилий.
Китайские
Основное отличие китайских мотоблоков от конкурентов из других стран — это низкая стоимость. Если подобный уровень цен обеспечивается за счет массовости производства — это одно. Но иногда китайцы, добиваясь снижения себестоимости, комплектуют свою продукцию деталями низкого качества. Поэтому при покупке изделий из Поднебесной нужно внимательно смотреть на историю фирмы-изготовителя и изучать отзывы потребителей такой продукции.
Основные технические характеристики и рабочие возможности мотоблоков, производимых в разных странах, отличаются несильно. Тем не менее стоит ознакомиться с наиболее востребованными и мощными дизельными моделями китайских производителей более подробно.
Forte HSD1G-80
Эта бюджетная модель считается лучшим культиватором среди мотоблоков, так как ее изначально создавали для этой цели, лишь позднее ей придали дополнительный функционал.

Характеристики:
- мотоблок среднего класса;
- двигатель бензиновый 4-тактный H168FB, 198 см³, 6 л.с.;
- ширина обработки — 80 см;
- число передач: 2 скорости вперед и 1 назад;
- вес — 85 кг;
- пневматические колеса.
Weima WM1100B (10012)
Данный механизм относится к классу тяжелых. Мощный дизельный двигатель обеспечивает ему высокий показатель крутящего момента, а шестеренчатый редуктор, сделанный по образцам лучших западных моделей, обеспечивает надежную эксплуатацию ходовой части.
Смотрите » Покупать мотоблок Тарпан с двигателем Briggs Stratton или GCV-160
Характеристики:
- мотоблок тяжелого класса;
- двигатель дизельный 4-тактный WM186FB, 406 см³, 9 л.с.;
- ширина обработки — 110 см;
- коробка передач механическая, 2/1;
- вес — 128 кг;
- пневматические колеса;
- дисковое сцепление;
- шестеренчатый редуктор.
Kipor KDT 910C
Еще один представитель дизельных механизмов. Пользователи отзываются о нем как об одной из самых надежных моделей, произведенных в Китае.

Характеристики:
- мотоблок тяжелого класса;
- двигатель дизельный 4-тактный KAMA KM186FS, 296 см³, 8,6 л.с.;
- ширина обработки — 90 см;
- коробка передач механическая, 3 скорости вперед и 1 назад;
- вес — 135 кг;
- пневматические колеса;
- сцепление — натяжной ролик;
- шестеренчато-цепной редуктор.
Вероятные поломки
ВОМ, установленный на трактора МТЗ-82, может некорректно работать по следующим причинам:
Трактор МТЗ-80, однозначно ставится в ремонт, схема устранения неисправностей выглядит так:
совмещают отверстия переключающего валика и заднего моста. Сделать это можно при помощи рычага управления. Когда отверстия совпадают, в них заворачивается установочный болт;
ослабляется контргайка регулировочного болта, который, в свою очередь, до упора вкручивается в рычаг переключающего валика;
стопорный болт закручивается в стакан. Затем осторожно вынимается болт регулировки;
таким образом, стакан с пружинами снимается целиком. Затем его разбирают и заменяют изношенные или повреждённые детали.

Устройство заднего ВОМ МТЗ 80.
Механизм ВОМ входит состав трансмиссии трактора, вращение которого осуществляется от маховика двигателя или от КПП машины.
Планетарный редуктор ВОМ.
В конструкцию ВОМ входит планетарный механизм включения, функция которого заключается во включении и передачи вращения на соединительный шлицевой вал. Редуктор находится в задней части картера заднего моста трактора. В заказных конструкциях планетарного редуктора вал 23 делают универсальным, составным со сменными хвостовиками с 8-ю для скорости вращения 540 об./мин. или 21-м шлицом со скоростью 1 тыс. об./мин. вращения ВОМ.
Редуктор управляется двумя фрикционными лентами 12 и 10 (на рис.). Одна тормозная лента стоит на барабане водила, другая на барабане связанным с солнечной шестернёй через шлицевую муфту. Рычаг включения находится по правую сторону водителя и имеет два положения: рычаг вперёд — «ВОМ выключен», рычаг назад — «ВОМ выключен». Движение от рычага передаётся тягами к пружинному усилителю, связанному через рычаг с осью управления фрикционными лентами
В процессе работы нужно обращать внимание, чтобы не было упора рычага включения в пол кабины. Это позволит избежать буксования механизма
Режимы работы заднего ВОМ и переключение скорости вращения
Кулачковая муфта 20 выполняет функцию переключения режимов работы ВОМ (синхронный — независимый) и передачи вращения на редуктор включения.
Независимый режим
В независимом режиме муфта получает вращение от вала, проходящего через пустотелый промежуточный вал КПП, который передаёт вращение маховика двигателя через двухскоростной редуктор, размещённый в картере промежутки. Включение независимого режима осуществляют на малых холостых оборотах или при заглушённом двигателе рычагом управления кулачковой муфты. При переключении на заглушённом двигателе для совпадения шлицов муфты, проворачивают шлицевой приводной вал заднего ВОМ от руки.
Синхронный режим
В синхронном режиме муфта работает с ведущей шестернёй второй ступени КПП трактора при работающей трансмиссии. Частота вращения зависит от скорости движения и составляет 3,5 оборота вала на метр пути. Режим включают при работающем дизеле, после включения передачи и плавном соединении сцепления.
Рычаг переключения режимов работы ВОМа находится у основания сидения водителя. При повороте рычага в крайнее левое положение включается — «синхронный», в правую — «независимый» режим работы. Среднее положение — «нейтральное». Выбранная позиция рычага удерживается фиксатором.
Изменение скорости независимого режима ВОМ осуществляется при заглушённом двигателе, через поводок, установленный в нижней части корпуса промежутки трактора связанный тягой со скользящим блоком шестерней. Поворот поводка по часовой стрелке включает скорость 540 об./мин. в обратную сторону — 1 тыс. об./мин. Положение поводка фиксируется пружинно-шариковым замком, установленным на вилке переключения.
Вал отбора мощности – конструкция и варианты выполнения
Основу данного механизма составляют следующие компоненты:
- Независимый редуктор двухскоростного типа;
- Переключатель, отвечающий за смену привода;
- Редуктор планетарного типа, установленный в кожухе на заднем мосту.
Исходя из расположения ВОМа, различают его заднюю или боковую вариацию, при этом заднее выполнение имеет гораздо большую распространённость. Валы, отвечающие за отбор мощности в тракторах МТЗ, могут быть оснащены как независимым, так и синхронным (зависимым) приводом.
В первом случае агрегат связан непосредственно с двигательным маховиком, что позволяет скорости вращения ВОМа не зависеть от скорости движения трактора и работы сцепления. Подобный привод имеет две скорости вращения – 540 и 1000 об/мин, а скорость вращения дизеля при этом составляет 2100 об/мин.
Во втором случае ВОМ МТЗ-80 подключается непосредственно к шестерне ведущего типа, которая установлена на одной из ступеней редуктора коробки передач. Это обеспечивает взаимосвязь скорости вращения ВОМа со скоростью перемещения трактора в пропорции 3,5 об/1 метр пройденного пути.
Как отрегулировать вом на мтз 82
При сборке на заводе или после ремонта (например, после замены тормозных лент) регулировку механизма управления производите в следующем порядке: 1. Установите эксцентриковую ось 15 (рис. 56) в исходное положение, чтобы лыска «В» находилась справа вертикально и зафиксируйте стопорной пластиной 17 и болтом 16;
2. Отсоедините тягу 4 (рис. 55);

Рис. 55 Управление задним ВОМ: 1 — рычаг управления; 2 — регулировочная вилка; 3, 8 — контргайки; 4 — тяга; 6 — пружины; 7 — наружный стакан; 9 — упорный болт; 10 — установочный болт (только для регулировки); 11 — рычаг валика управления; 12 — валик управления; 13 — регулировочные винты; 14 — внутренний стакан; 15 — тяга. Вариант «I» — для тракторов с унифицированной кабиной.
3. Выверните болт 9, чтобы освободить пружину 6;
Для безопасности разборки узла следите, чтобы при выворачивании болта 9 верхний стакан 7 был в постоянном контакте с ним вплоть до полного разжатия пружины.
4. Снимите крышку люка заднего моста для доступа к винтам 13;
5. Зафиксируйте рычаг 11 в нейтрали, введя болт М10X60 или стержень 10 диаметром 8 мм в отверстие на рычаге и соответствующее ему отверстие на корпусе заднего моста;
6. Снимите стопорную пластину 26 (рис. 56), заверните винты 21 до отказа усилием 10 кгс на ключе или плоскогубцах длиной 100 мм (моментом 1 кгс*м), а затем отверните каждый винт на 2-2,5 оборота;

Рис. 56 Планетарный редуктор заднего ВОМ: 1 — муфта переключения привода; 2 — вал коронной шестерни; 3 — гайка; 4 — водило; 5 — солнечная шестерня; 6 — сателлит; 7 — коронная шестерня; 8 — ось сателлита; 9 — тормозной барабан; 10 —вал ВОМ; 11,13 — тормозная лента; 12 — барабан включения; 14 — крышка задняя; 15 — эксцентриковая ось; 16 — болт фиксации пластины стопорной; 17 — пластина стопорная; 18 — съемный хвостовик; 19 — стопорная пластина съемного хвостовика; 20 — болт фиксации хвостовика; 21 — регулировочные винты; 22, 24 — рычаг; 23 — пружинный механизм; 25 — валик управления; 26 — стопорная пластина регулировочных винтов.
7. Удалите болт (стержень) 10 (рис. 55), удерживающий рычаг 11 в исходном для регулировки положении;
8. Заверните болт 9, направляя его носок в углубление крышки стакана 7 до размера «А»=26. 29 мм;
9. Переведите рычаг 11 назад в положение «ВКЛ»;
10. Установите тягу 4, регулировкой тяг 4 и 15 установите зону качания рычага 1 в средней части прорези пульта управления. После окончания регулировки установите на место стопорную пластину 26, крышку люка заднего моста, законтрите тяги 4 и 15 (рис. 55) , а также болт 9. В эксплуатации, если:
- ВОМ пробуксовывает;
- при переключении рычаг управления 1 упирается в переднюю или заднюю часть прорези пульта управления;
- усилие включения на рычаге 1 более 12-15 кгс (120-150 Н«м);
- нечеткая фиксация рычага 1 в крайних положениях или неодинаковый его ход при включении и выключении,
отрегулируйте ленточные тормоза механизмом внешней подрегулировки, для чего:
- Установите рычаг 11 (рис. 55) в нейтрали, зафиксируйте в этом положении, введя стержень 10 диаметром 8 мм или болт М10Х60 в отверстие на рычаге 11 и соответствующее ему отверстие на корпусе заднего моста;
- Выверните болт 16 (рис. 56), снимите пластину 17 со шлицевого хвостовика на оси 15;
- Ключом S=13 мм поверните эксцентриковую ось 15 по часовой стрелке до выбора зазора между тормозной лентой и барабаном ВОМ (это можно определить по невозможности повернуть хвостовик ВОМ от руки);
- Установите пластину 17 на место и заверните болт 16;
- Выньте из рычага 11 (рис. 55) стопорящий болт или стержень.
После нескольких наружных регулировок эксцентриковая ось 15 (рис. 56) может занять крайнее левое положение (лыска «В» станет вертикально слева), что указывает на израсходование запаса внешней регулировки. В этом случае эксцентриковую ось поворотом против часовой стрелки установите в исходное положение (лыска справа вертикально), после чего выполните регулировочные операции, как описано выше (при сборке на заводе или после ремонта ВОМ). При правильно выполненной регулировке рычаг 1 (рис. 55) в положении «включено» или «выключено» должен не доходить не менее, чем 30 мм до края прорези пульта управления и четко переходить через нейтральное положение.
Практические советы по использованию.
Конструктивные особенности приводных валов используемых машин часто имеют характер открытых, активно-вращающихся частей. Для исключения травматизма и аварийных поломок при работе с приводными машинами следует быть внимательным и учитывать следующие аспекты и правила:
- Агрегатируемая машина с трактором должна быть в исправном техническом состоянии.
- Использовать машину нужно строго по назначению в соответствующих требованиям условиях. Во время подготовки к работе ВОМ нужно убедиться в соответствии шлицов хвостовика вала и соединительной муфты привода используемой машины (8 шлицов или 21). При несоответствии нужно заменить хвостовик вала.
- Проверить наличие и надёжность крепления защитных кожухов, вращающихся частей приводной машины, регулировку предохранительных муфт и исправность карданных сочленений привода.
- Монтаж привода производят непосредственно на месте использования агрегата.Фиксация соединения делается специальным стопорным болтом при совпадении выточки на шлицах вала и отверстия соединительной муфты карданного привода агрегатируемой машины.
- Маршрут и радиус поворота должен соответствовать конструктивным особенностям агрегата.
- Во избежание перегрузок конструкций агрегата, выбор скорости движения, глубины обработки, ширины захвата, режима работы агрегата должен соответствовать нормам и требованиям.
- Отсоединение делают после полной остановки вала в нейтральном положении рычага переключения режимов привода и выключенном ВОМ.
При оптимальном балансе оборотов двигателя и нагрузки достигается значительное снижение расхода топлива на единицу объёма проделанной работы агрегатом.Если агротехнические и технологические условия выполнения работ не ограничивают скорость движения агрегата, передачу подбирают, руководствуясь оптимальной нагрузкой без признаков перегрузки трактора и механизмов используемой приводной машины. Работая с энергоёмкими машинами при недостаточной мощности двигателя, в ситуации неполной загрузки производительности агрегата на скоростях выше 7 км/час — применяют понижающий редуктор КПП.
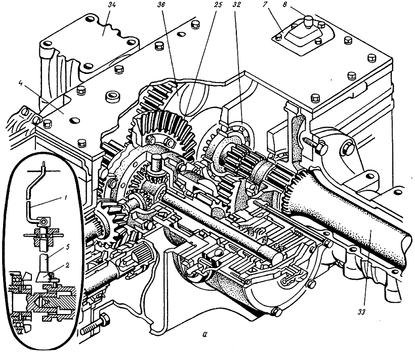
Устройство и принцип работы моста
Мост имеет кинематическую схему с внутри размещёнными конечными передачами. Все детали редуктора работают в общей масляной ванной, смазываются разбрызгиванием, объединены с коробкой передач и промежуточной частью трансмиссии в единую систему смазки. Масло заливается через пробку в верхней крышке КПП до уровня нижней кромки смотрового отверстия. Полный объём заправки маслом трансмиссии составляет 40 литров.
Схема заднего моста МТЗ
Главная передача
Механизм редуктора принимает продольное вращение от вторичного вала КПП прикреплённой к передней стенке корпуса заднего моста. Передача осуществляется через коническую пару шестернёй с винтовыми зубьями. В конструкции моста эта шестерёнчатая пара называется главной передачей. Шестерни принимают созданное КПП передаточное число вращения и преобразовывают продольное вращение в поперечное. Ведущая шестерня размещена на шлицах хвостовика вторичного вала коробки и затянута шплинтующейся гайкой. Ведомая шестерня главной передачи прикреплена к корпусу дифференциала болтами и гайками с фиксирующими отгибными пластинами.

Устройство заднего редуктора МТЗ 82 (80)
Дифференциал
Механизм осуществляет функцию распределения вращательного момента на ведущие колёса при осуществлении трактором поворота, обеспечивая разную угловую скорость вращения ведущих ходовых колёс.
Крестовина, сателлиты и полуосевые шестерни Дифференциал в сборе МТЗ 80

Сателлит дифференциала
Устройство представляет собой закрытый планетарный механизм в цилиндрическом корпусе, состоящий из двух стянутых болтами частей. Внутри узла расположена крестовина, зажатая двумя половинами корпуса с четырьмя вращающимися на бронзовых втулках сателлитами в виде прямозубых конических шестерён. Между корпусом сателлитом на оси установлены упорные стальные шайбы. Сателлиты взаимодействуют с левой и правой полуосевыми коническими шестернями, которые передают вращение на соответствующие стороны к ведущим шестерням конечной передачи моста. Между полуосевыми шестернями и корпусом установлены бронзовые упорные шайбы. Шестерни в стаканах корпуса вращаются на конических роликовых подшипниках.
Конечные передачи
Часть механизма, передающая вращение от дифференциала непосредственно к ведущим полуосям моста. В шлицы полуосевых шестерён дифференциала вставлены своими внутренними концами соответствующие левый и правый валы конечных передач. Каждая деталь опирается на два роликовых подшипника. На валах размещены ведущие прямозубые шестерни конечных передач, которые выполнены за одно целое с деталью. Каждый вал опирается на два роликовых подшипника. Ведомые шестерни конечных передач размещены непосредственно на полуосях и соединены через шлицевые втулки. Полуоси опираются на два шариковых подшипника: внутренний размещён в расточке перегородки картера, наружный в чугунном кожухе полуоси. Для предотвращения осевых перемещений деталь фиксируется стопорным кольцом и крышкой кожуха полуоси с самоподжимным сальником. Дополнительно наружные концы ведущих валов конечных передач соединены с правой стороны с барабанами правого рабочего и стояночного тормоза, и с левой стороны барабанами левого рабочего тормоза и блокировки дифференциала. Привод блокировки и фиксирующего тормоза осуществляется через трубчатые полости валов конечных передач дополнительными валами. Отдельным механизмом в нижней части картера от промежуточного вала коробки продольно проходит вал привода заднего ВОМ с кулачковой муфтой переключения работы режимов. Вал опирается на подшипники, установленные в расточках поперечных перегородок картера.
Вывод заднего ВОМ на переднюю навеску трактора.
Для привода оборудования МТЗ 82, навешиваемого на переднюю навеску, используют дополнительный комплект деталей и узлов для вывода вращательного момента от заднего ВОМ.
В состав комплекта входит:
- Дополнительный редуктор, который крепится к корпусу заднего ВОМ и преобразует вращение от приводного хвостовика в сторону передней навески под картером заднего моста.
- Система кронштейнов и крепежей для переоборудования задней навески, обеспечивающих место для монтажа дополнительного редуктора.
- Система промежуточных опор и крепежей для установки карданного вала.
- Карданный вал, передающий вращение от фланцевой муфты доп. редуктора на переднюю навеску.
Детали комплекта крепятся в штатные отверстия на корпусе картера трансмиссии и рамы трактора МТЗ 82 (80).

Преобразующий редуктор для заднего ВОМ МТЗ

Карданная передача привода переднего ВОМ МТЗ 82 с опорами

Кронштейн передней опоры переднего ВОМ МТЗ

Передняя опора и приводной вал ВОМ передней навески




































