Как правильно настроить плуг на мотоблоке? Пашем просто, быстро и легко.
Став счастливым обладателем мотоблока той или иной марки мы сталкиваемся с проблемой выбора плуга и сопутствующих элементов для проведения вспашки своих участков огородов и полей. Весна — жаркая пора для всех людей не равнодушных к земле, теме экологичного питания, дачников и огородников. Как сделать труд легче, приятнее и полезней? В данной статье речь пойдет об правильной настройке плуга, выборе сцепки, работе над своими ошибками. Все по порядку:
Как человек проживающий в сельской местности с детства наблюдал за работой тракторов в полях. Плуг — чего тут удивительного, подумал я когда отправился за покупкой данного навесного к своему мотоблоку Агат с двигателем 6,5 л.с. В специализированном магазине выяснилось что не все так просто. Вариантов плугов множество — в зависимости от мощности мотоблока. Выбор был сделан по совету продавца, спорить я не стал, т.к. в этом не было смысла. Далее последовала сопутствующая покупка сцепки (на тот момент представлял это одним целым)
Установив данное навесное оборудование на мотоблок ринулся в путь с гаечными ключами в руках для регулировок. Первый раз в жизни пашем землю — экспериментальный заезд. Конечно проводил консультации с соседями и знакомыми людьми. Советы в стиле: «поставь мотоблок на кирпич, два пальца под пяткой, угол атаки. » Все эти советы казались простыми, это и пугало. Приходилось наблюдать за работой мотоблочников при вспашке — все в поту, толи толкают мотоблок, то бегут за ним — без сил, рук и ног. На первых порах мне казалось что именно так и выглядит пахота на мотоблоке. Но все это было результатом неправильной настройки плуга.
Постараюсь простым языком рассказать и поделиться опытом по правильной настройке сцепки и плуга, при которой вы с легкостью справитесь с любыми объемами по вспашке на мотоблоке любой марки. Понимание этого пришло по прошествии одного сезона — не нужно ни куда спешить.
Первое: Плуг пашет в положении строго перпендикулярно плоскости земли, эту регулировку проводим после первого и последующих проходов, так как колесо уходит в колею. Все просто — как на фото:
Второе: Что такое угол атаки? Это то, на сколько глубоко плуг войдет в грунт прежде чем его пятка — нижняя часть займет положение параллельно линии движения. Чем больше угол атаки тем глубже колея, больше отвал, выше грядка))) Это самая распространенная ошибка — слишком большой угол атаки на легкий и слабый мотоблок — результат больные руки и спина у того кто им управлял. Дополнительно можно воспользоваться грузами, но при этом увеличивается нагрузка на ось и двигатель — не перестарайтесь, все в разумных пределах. На фото схематично обозначил линиями:
В третьих: Ошибка при которой мотоблок стремится убежать то в лево , то в право. Если взглянуть на мотоблок с верхней точки, то сцепка должна находиться в положении строго перпендикулярно оси мотоблока. Понять это просто — представьте вы плывете на лодке — как вы рулите? Догадались — здесь все по тому же принципу. Схематично обозначил линиями на фото:
Если соблюдать все эти правила по регулировке плуга, то работа будет в радость, мотоблок вам в помощь, а не в нагрузку.
Но все эти регулировки бессмысленны — если сцепка низкого качества. И это самая главная ошибка! Выбираем качественную, надежную — крепкую сцепку, чтобы быстро и с легкостью проводить регулировки, при этом надежность креплений не должна подвергаться сомнению в момент работы плугом.
На фото сцепка черного цвета — надежно зарекомендовала себя — приличная толщина металла, не гуляет в местах креплений, резьбовые соединения не срывает
На фото сцепка красного цвета — удовлетворительного качества — гнется, гуляет, резьба на регулировочной шпильке сбивается.
Выставление нижних тяг
Правильно настроенные нижние тяги должны подниматься к раме в рабочем положении, тогда как их стабилизаторы остаются свободными, что позволяет ножу входить в почву под действием силы тяжести. Когда производится поднятие устройства, тяги фиксируют его в заданном положении, чтобы оно не загребало землю при развороте трактора. Добиться того, чтобы во время вспашки плуг не уходил в сторону, можно регулировкой нижних фланцев. Их фиксируют по направлению к борозде. Посмотрите на корпус сверху: правильно выставленные тяги должны образовывать трапецию, а не прямоугольник, то есть сходиться к трактору.
Если подъемный вал у техники небольшой, то при монтаже нужно следить за тем, чтобы нижние фланцы не блокировались ограничителями сельхозтехники. Если они соприкасаются, то нож не углубится в почву на заданную глубину (обычно это 25–27 сантиметров). Учитывайте, что чем выше прикреплены тяги, тем на большую глубину входят ножи и улучшается линия буксировки, но при этом снижается высота поднимания устройства при развороте. Если при пахании тяги стремятся вниз, то нужно изменить точки навешивания: большинство современных плугов позволяет это сделать.
Самодельный тракторный плуг
Покупка агрегата может обойтись довольно дорого, поэтому на выручку приходит возможность сделать плуг для МТЗ-82 (или МТЗ-1221) своими руками.
Есть более простая конструкция, которая в принципе выполняет те же самые задачи, что и плуг — самодельный культиватор на МТЗ-80. Разница между ними заключается в том, что плуг вспахивает почву, переворачивая при этом пласты земли, а культиватор землю просто пропахивает. Однако самодельный культиватор для трактора МТЗ — популярное устройство, так как сделать его проще, чем самодельный плуг.
Для грамотного изготовления плуга трактористу придется воспользоваться хорошими чертежами квалифицированных специалистов, поэтому лучше поискать. Некачественный чертеж негативно скажется на последующей конструкции и качестве вспашки почвы, значит, и урожайности. При конструкции самодельного культиватора, напротив, подойдет и схематичный чертеж.

После того как чертеж готов, его нужно перенести на твердый картонный лист и вырезать шаблон. Чтобы сделать плуг, нужно использовать материалы из нержавеющей стали или другого, более твердого металла. Так, можно использовать старую рессору от отечественного автомобиля или даже диск циркулярной пилы.

Рассмотрим процесс изготовления плуга. Даже мастеру, имеющему минимальный опыт в конструировании подобной техники, под силу создать простейший навесной плуг — однокорпусной, с использованием поворотных механизмов. Такое дополнительное тракторное оборудование включает в себя лемех и отвал на МТЗ. Для изготовления представленных элементов потребуются только стальные листы. В этом случае самоделка конструируется по определенному алгоритму.

- Производство лемеха из дискового элемента, снятого с циркулярной пилы. Чтобы заточить режущую часть, необходимо отбить ее на наковальне, как отбивается обычная коса или плоскорез.
- Следующий этап — изготовление отвала. Процесс довольно простой и требует минимальных навыков. Понадобится металлическая труба.
- Финальный этап — изготовление прочих элементов конструкции. Такая переделка не представляет особой сложности.
Для того чтобы собрать качественный самодельный оборотный плуг, нужно использовать специальные клинья с углом в 25°. После установки клиньев на вспомогательный металлический лист устанавливается лемех, который в свою очередь закрепляется на полотне при помощи сварочного шва.
Щитки, расположенные с боков, крепятся на лемех в вертикальном положении, для этого нужно выполнить дуговую сверку. Необходимо следить за тем, чтобы боковой щиток выходил за лемех на 8 мм и располагался выше лезвия на 10 мм. В конце процесса нужно создать сплошную поверхность, сваривая между собой лемех и отвал.
Пошаговая инструкция изготовления:
- перед тем как производить сборку, необходимо создать макет из картона;
- лучше всего делать изделие из стали серии 9ХС;
- если макет был составлен правильно, то плуг будет собрать достаточно просто;
- при помощи сварки прикрепить лемех к листу стали;
- сверху прикрепить боковой щиток с наложением на конструкцию;
- после этого прикрепить лемех к отвалу, угол крепления 6-8 градусов;
- мотоблок нужно закрепить на какой-нибудь надежной опоре;
- необходимо снять колесо с ТС;
- на ось крепится специальное устройство вала;
- закрепляем ось рядом с колесом и фиксируем шурупами;
- при помощи гаек прикрепляем полученное устройство к мотоблоку;
- гайки должны быть закручены не полностью, чтобы была возможность регулировки.
Подробное видео по сборке плуга можно найти в интернете.
Необходимые материалы и инструменты
Для того, чтобы сделать плуг своими руками, необходимы следующие инструменты и материалы:
- вальцы;
- болгарская пила;
- заточка;
- резак по металлу;
- различные крепежи;
- труба, диаметр которой определяется под плуг;
- другие крепежные элементы;
- аппарат для сварки.
Контроль передней борозды
После проведения регулировки трехкорпусного плуга можно приступать к пробному вспахиванию небольшого участка. Изучите качество вспашки, проверьте, как формируется первая борозда и куда прикладывается тяговое усилие. Первый параметр регулируется при помощи внешнего запора, второй – внутренним. Настройка проводится в зависимости от конструкции устройства, поэтому изучите рекомендации производителя. Следует соблюдать следующие рекомендации:
- Правильно настроенный агрегат производит вспашку равномерно. Первый нож поднимает такой же пласт по размеру, как и последний. Допускаются отклонения в несколько сантиметров, но не больше 5–7. Если начальная борозда будет шире, но на поле будут образовываться неровности и валы, мешающие проходу сельхозтехники и ухудшающие качество посевов.
- Регулировку проводят при помощи тяг. Уменьшение верхней приводит к тому, что первый нож глубже опускается в землю и создает больший вал. Вращайте вал до тех пор, пока не добьетесь равномерного заглубления.
Затем отрегулируйте точку приложения тягового усилия. Именно от нее зависит сила сопротивления, которая влияет на тягловую технику. Неправильно заданная точка может стать причиной, почему не пашет плуг, а также повысить расход дизтоплива на 15–25%. Ее регулируют путем изменения угла между рамой и навесным оборудованием. Нужно добиться того, чтобы при движении технику тянуло в сторону уже распаханного участка. Добиться этого можно путем смещения верхней тяги по направлению к целине, а не к обработанному участку. За счет этого снижается нагрузка на полевую доску и уменьшается сопротивление земли. Но тяга не должна отходить чересчур сильно, иначе произойдет обратный эффект: трактор перестанет сдвигаться в сторону пашни, а борозда не будет формироваться или полностью разрушаться.
Источник
Окончательное регулирование – настройка в рабочих условиях
Ну и завершается регулировка уже в поле. После первых двух проходов проверяют ширину и глубину обработки. Если первый корпус пашет глубже заднего, удлиняют центральную тягу, в обратном случае – слегка укорачивают её. Перекосы в поперечной плоскости регулируют за счёт настройки раскосов, а ширину захвата – перемещением подвесной оси влево или вправо по направляющим
Обращают также внимание и на правильную позицию центральной тяги – она должна находиться в параллельной позиции по отношению к продольной оси трактора, со свободно опущенными ограничительными цепями. При развороте плуга по направлению пахотного поля, перемещают ось по левому кронштейну вперёд, если же он смещается влево – сдвигают её назад
После окончания регулировки, все механизмы остаются в неизменном состоянии вплоть до окончания работ на данном участке. После переезда на новый участок операции по настройке агрегата повторяют.
Послесловие
Проводя работы по регулировке плуга, следует быть предельно внимательным, поскольку малейшая оплошность может закончиться не только потерей драгоценного времени, но и существенными финансовыми тратами. Учитывайте те рекомендации, которые изложены выше и качественная работа в поле вам гарантирована.
Предварительные регулировки плуга – моменты, которые необходимо учитывать при работе
Выполнять предварительную регулировку нужно ещё до выезда трактора в поле, соблюдая при этом такую очередность действий:
Под опорное колесо на плуге и левые тракторные колёса укладывают прокладки (их высота равняется глубине вспашки, с разбежностью порядка 2-5 см) и опускают плуг вниз таким образом, чтобы лемеха касались поверхности;
- Посредством винтового механизма на опорном колесе слегка опускают его вниз, вплоть до контакта с прокладкой;
- По поперечной плоскости плуг выравнивают посредством правого раскоса, смонтированного на тракторной навеске, а по его продольной плоскости – за счёт тяги центрального типа. Главное требование – рама должна быть параллельна основанию по обеим плоскостям;
- Раскосы навески выставляют в соответствии с передним отверстиями в продольных тягах, при этом верхняя тяга крепится к рамке автосцепливания исключительно через отверстие. Недопустимо соединение через паз, поскольку это вызывает некоторые проблемы и неустойчивое перемещение плуга при его движении на глубине;
- Цепи ограничительного типа, установленные на навеске, выставляют за счёт вращения винтовых стяжек вплоть до их небольшого провисания. Это позволяет добиться малого раскачивания плуга в положении транспортировки – порядка 20 мм, не более;
- Устанавливают левый раскос на навесном комплекте таким образом, чтобы промежуток между шарнирными осями составлял 515 мм. В процессе работы не допустима смена длины левого раскоса, данное значение должно быть фиксированным.
Пахота с использованием силового-позиционного регулятора МТЗ 80,82, 920, 892
Предлагаю обменяться опытом, и первый пост буду обновлять по мере поступления полезной, разъясняющей информации. Сам работаю на мтз 920 с самодельным трёх-корпусным плугом времён СССР (достался от колхоза моему отцу), на автосцепке СА-1.
Нежелая работать как деды работали, хочу использовать САРГ (Систему автоматического регулирования глубины вспашки), с использованием силового-позиционного регулятора (регулятор глубины вспашки. Азы по настройке и регулировки системы уже освоил (трактор достался после отца с расстроенной системой САРГ). Пашу впервые. Если использую настройки из инструций в интернете например вот такая:
Плуг ПЛН 3-35 регулируется на регулировочной площадке перед использованием при вспашке поля. Для начала нужно установить прокладки опорное колесо плуга под левые колеса трактора, на который крепим плуг. Прокладки устанавливаются на 20-50 мм меньше от той глубины, которую мы собираемся вспахать.
После этого опускаем плуг так, чтобы все лемеха касались поверхности. Затем используйте винтовой механизм колеса плуга для того, чтобы поставить опорное колесо на прокладку. Теперь требуется настроить плуг в продольной и поперечной плоскостях.
Для этого выровняйте его в продольной плоскости с помощью навески трактора, а в поперечной — при помощи центральной тяги. Главное в том, чтобы плуг был параллельно поверхности в обоих плоскостях. На передние отверстия верхней тяги плуга нам нужно установить раскосы аппарата навески трактора.
Регулировка плуга ПЛН 3-35
Соединяем раму и верхнюю тягу при помощи автосцепки СА-1 через проемы и никак иначе.
Ни в коем случае не используйте пазы для их скрепления, иначе плуг потом будет ходить ходуном при работе.
В зависимости от того, на какую глубину вы хотите вспахать почву, регулируйте предплужники на плуге. Разместите носки лемехов предплужника на дистанции 25 сантиметров от корпуса. На державке есть выступ цилиндрической формы. Вставьте этот выступ в одну из глухих дыр стойки предплужника.
Цепи навесного оборудов. трактора служат ограничителями для плуга. Они закрепляются винтами. При этом цепи должны немного виснуть. Все это требуется, чтобы при перевозке на землю плуг не шатался больше чем на 2 см. Теперь задерните полевой обрез предплужника так, что его полевой обрез корпуса был перекрыт обрезом предплужника.
Теперь нам нужно установить левый раскос тракторного навеса между осями шарниров. Дистанция между ними должна быть 51,5 см.
Перед работой на земле ни в коем случае не меняйте уже отрегулированную нами длину раскоса.
Перед началом работы нам нужно задать глубину вспашки спереди на 2/3 от установленной ранее на опорном колесе. После того, как мы прошли первую борозду, мы завершаем настройку ПЛН 3-35. Проследите за тем, чтобы рама оставалась параллельной поверхности. Следите за тем, чтобы все корпуса плуга пахали почву на одинаковую глубину.
Смотрите, чтобы все растительные остатки качественно перемалывались. Если левая сторона ниже правой, уменьшите раскос навесного аппарата. Если левая сторона выше правой, наоборот, увеличьте раскос навеса. В том случае, если задний корпус плуга пашет глубже или мельче переднего, значит, верхнюю тягу нужно удлинить или укоротить. И на последок: если вы пашете землю с силовым регулятором, вы можете не использовать опорное колесо, так как регулирование глубины вспашки при работе будет автоматическим.
У нас в селе никто на подобных тракторах не пашет с регулятором глубины вспашки, все пашут по старинке, хотя, считаю от САРГа одни плюсы. Потому и спрашиваю кто пашет с САРГом?
Источник
Руководство по NVIDIA NVENC OBS
Кодирование – это сжатие изображений. Чем меньше размер изображения, тем меньше мы должны его сжимать и тем более высокое качество оно сохраняет. Хотя то же самое относится и к частоте кадров, зритель действительно может заметить падение FPS, но не так сильно, как разрешение, поэтому мы всегда будем пытаться транслировать со скоростью 60 FPS.
Сначала запустите тест скорости, чтобы определить скорость загрузки (например, тест скорости). Мы хотим использовать около 75% вашей скорости загрузки, поскольку игра и другие программы, такие как Discord, также будут бороться за пропускную способность.
Затем мы определим разрешение и FPS, которые мы можем использовать для такого битрейта. На большинстве потоковых сайтов есть рекомендации (Twitch, Mixer, Youtube) о том, что использовать. Это наши:
Скорость загрузки | Битрейт | Разрешение | Частота кадров |
3 Мбит / с | 2,500 | 1024×576 | 30 |
4 Мбит / с | 3,500 | 1280×720 | 30 |
6 Мбит / с | 5 000 | 1280×720 | 60 |
8-10 Мбит / с | 6 000 | 1920×1080 * | 60 |
12+ Мбит / с | 10,000 (Смеситель) | 1920×1080 | 60 |
15+ Мбит / с | 12 000 (Youtube) | 1920×1080 | 60 |
20+ Мбит / с | 15 000+ (Youtube) | 2560×1440 | 60 |
40+ Мбит / с | 30,000+ (Youtube) | 3840×2160 | 60 |
* Важное примечание для содержимого High Motion. Если вы собираетесь транслировать сцены с высоким движением (например, гоночные игры, некоторые игры Battle Royale и т
Д.), Мы настоятельно рекомендуем уменьшить разрешение. Контент с высоким движением нельзя сжимать так сильно, и он может страдать от большего количества артефактов (ошибок кодирования), из-за которых ваш поток выглядит «блочным». Если вы уменьшите разрешение, вы уменьшите кодируемые данные, и в результате качество просмотра будет выше. Например, для Fortnite многие стримеры решают стримить с разрешением 1600×900 60 FPS.
Примечание для новых и будущих стримеров на Twitch .Транскодирование позволяет зрителю просматривать ваше видео в другом разрешении, что требует меньшей полосы пропускания. Twitch предлагает Партнерам только гарантированное перекодирование; лица, не являющиеся партнерами, могут получать транскодирование, но это не гарантируется
Это важно, если ваши зрители пользуются мобильными телефонами или у них не такая быстрая скорость интернета. Вы можете рассмотреть возможность потоковой передачи с более низким битрейтом и разрешением, чтобы уменьшить полосу пропускания, необходимую для просмотра вашего канала
Примечание для стримеров к микшеру. Mixer позволяет передавать потоки через стандартный протокол (RTMP) или улучшенный протокол, называемый Faster Than Light (FTL).FTL обеспечивает очень низкую задержку. Однако, когда вы его используете, Mixer рекомендует ограничить битрейт до 7 Мбит / с и не использовать B-кадры. Вы выбираете это в настройках OBS> Stream в разделе service.
- Если вы хотите получить максимальное качество, используйте RTMP со скоростью до 10 Мбит / с и B-кадрами.
- Если вам нужна минимально возможная задержка, используйте FTL.
Модели погрузчиков
Сегодня многие предприятия изготавливают погрузчики для МТЗ-82. Многие из них не отличаются друг от друга многим, лишь комплектом поставки.
На переднюю часть и заднюю часть:
- ПФ-1;
- ПКУ-0.8;
- КУН погрузчик -08;
- ПБМ-1200;
- ПН-0,5;
- ПНУ-1,2.
- вилочный погрузчик на МТЗ.
Главное достоинство погрузчика — быстрая и простая установка
Фронтальный
Самым распространенным фронтальным погрузчиком является ПФ-1. В нем используются гидравлические цилиндры в количестве 2 шт. Конструкционно он состоит из несущей рамы и рабочих элементов. Благодаря этому устройство хорошо фиксируется к трактору и выполняет сложные задачи без риска опрокидывания.
Такое крепление значительно увеличивает баланс трактора и позволяет работать с большими грузами, без риска перевернуться. Оптимальный вариант для МТЗ-82 из-за универсальности, надежности и доступности.
Оснастка может работать с грузами, имеющими вес до 1 т. При этом вес -900 кг. Возможность выдвигать стрелу на 3,5 метра значительно расширяет возможности трактора. Трактор, на который установлен агрегат, может разгоняться до 20 км/ч. Б/у купить можно за 100 тыс. руб.
На заднюю навеску
В качестве погрузчика грейферного на базе МТЗ-82 на заднюю навеску рассмотрим ПКУ-08. Данное устройство отличается компактностью и эргономичностью. Вес снаряжения не превышает 700 кг. Установка на полураму снижает безопасность работы с устройством. При перегрузке возможно опрокидывание трактора.
Максимально допустимое количество груза, которое можно перемещать с помощью ПКУ-08 – всего 800 кг. Стрела может выдвигаться на 3,5 м. Скорость перемещения на тракторе погрузчиком не превышает 20 км/ч. Купить его можно за небольшую цену, около 120 тыс. рублей.
Ремонт
Трактор МТЗ-80 для регулировки ВОМ в любом случае ставится на ремонт при наличии трещин и вмятин на проушине, стакане или валике. Устраняют неполадку следующим образом:
- Совмещают гнезда валика переключения и заднего моста при помощи контрольного рычага. После совпадения отверстий они фиксируются посредством установочного болта.
- Контргайка ослабляется, а упорный винт вкручивается в рычаг переключающего валика до предела.
- Стопорный болт завинчивается в стакан, после чего аккуратно вынимается регулировочный аналог.
- После этого демонтируется стакан с пружинами, далее его разбирают и меняют негодные детали.

Особенности конструкции плуга

Плуг ПЛН 3-35 легкий и подходит для МТЗ 80
Агрегатируется ПЛН-3-35 с тракторами класса 1,4 кН. К таким относятся трактора МТЗ 80 и 82. Устанавливается плуг с углоснимами или с предплужником. Если на последнем корпусе вмонтирован вертикальный нож, то рисковые уже не ставятся. Зависит выбор от вида почвы, которую необходимо обрабатывать и состояния трактора.
Собрать после покупки необходимо в единую конструкцию следующие части плуга:
- Корпус;
- Рама;
- Опорное колесо;
- Предплужник;
- Прицепную часть бороны;
- Навеску.
При сборке и регулировки плуга необходимо понимать, что прицепились бороны и чисток это его части. Винт упорного колеса необходим для регулирования глубины вспышки почвы. Монтировать предплужником следует в зависимости от глубины обработки почвы. Советуем устанавливать предплужником на МТЗ 80 по следующим правилам:
- Фиксация стоек на верхнем отверстии соответствует глубине вспышки на 20 см;
- Стойки во втором отверстии — вспашка на глубину 22 см;
- Стойка на третьем отверстии — глубина вспаши 25 см;
- Стойка на четвертом отверстии — глубина вспашки 27 см;
- Нижнее отверстие соответствует вспышке на глубину 30 см.
Корпус плуга собирается из лемехов, которые крутятся к цельной стойке. Туда же прикрепляют отвал и половую доску. Корпус плуга бывать нескольких видов: вырезным, скоростным, безотвальным и классическим с почвоуглубительным элементом.
Предплужник плуга для трактора МТЗ 80 состоит из рабочей части и небольшого корпуса. Используется предплужник во время задели остатков от растений. Состоит конструкция предплужника из элементов: отвала, лемеха, стойки.
Колесо на плуге необходимо чтобы регулировать глубину пахоты. Чтобы правильно установить глубину, пользуйтесь указаниями выше и отметками на стойке. Состоит колесо из диска с ободом, кронштейна со ступицей и полуоси.
К трактору плуг присоединяется при помощи навеса. Борону прикрепляют на специальный прицеп. Подробнее настройку оборудования можно увидеть на видео:
На видео подробно рассказывается как регулировать модель, что следует учитывать. Посмотрев видео, читателю будет окончательно все понятно.
Регулируем инструмент
Рабочими элементами плуга являются нож, разрезающий землю, корпус, к которому крепятся основные детали, и предплужник, рыхлящий почву и переворачивающий ее в борозду. В некоторых моделях также присутствует почвоуглубитель, позволяющий производить вспашку на глубину до 30 сантиметров, и углосним, отделяющий верхнюю часть почвенного пласта и подающий его на дно борозды. К вспомогательным элементам относят опорные колеса, раму с навесным оборудованием и прицепное устройство.
Качество вспашки напрямую зависит от формы плуга, а также от правильности его настройки. Рабочая поверхность формируется лемехом и отвалом. Он перемещается по полю при помощи трактора или другой сельскохозяйственной техники, подрезая верхний слой почвы, поднимая его и подавая на отвал. Затем земля сдвигается в сторону, переворачивается, крошится и подается в борозду. Движение почвы происходит за счет лемешно-отвального механизма, установленного под определенным углом к создаваемой борозде.

По конструкции плуги делятся на пять категорий:
- Культурные, предназначенные для рыхления легких почв и борьбы с травяным покровом.
- Рухадловые цилиндрические, которые используют на тяжелых почвах и целине.
- Винтовые, позволяющие качественно переворачивать верхний слой земли.
- Полувинтовые, предназначенные для работы на легких почвах.
- Универсальные, подходящие для любых поверхностей.
Чаще всего в сельском хозяйстве применяют полувинтовые и культурные модели, которые обеспечивают качественное крошение почвы. Первые подходят для работы на целине или на залежной земле, с плотным травяным покровом. Вторые используют для распашки старопахотных или ранее обработанных участков. Во время подъема земли плуг постоянно стремится сдвинуться в сторону за счет возникновения бокового давления. Чтобы это не происходило, применяют полевую доску. Она увеличивает опорную поверхность устройства на почву и снижает воздействие боковых нагрузок.
Описание работ по сборке
Чертеж простого плуга для минитрактора и мотоблока.
Основным несущим элементом рассматриваемого оборудования является рама, на которую крепятся остальные составляющие. Она изготавливается из металлического профиля круглого или прямоугольного сечения толщиной 2-3 мм. На рамную часть крепятся рабочие корпуса и вспомогательные элементы плуга. Форма рамы соответствует количеству рабочих инструментов плуга и выбранным управляющим элементам.
Также можете посмотреть чертежи и сборку плуга для минитрактора Т 25
Геометрические особенности плуга
Схема лемеха плуга.
На представленном чертеже показано устройство лемешно-отвального корпуса плуга. Лемех (I) является самой нижней частью, производящей врезание в почву. Пласт земли двигается к отвалу (IV), который переворачивает, крошит и сдвигает грунт в борозду. Полевая доска (II) служит направляющей для движения плуга и не позволяет смещаться в сторону необработанной пашни. Стойка (III) крепит рабочий инструмент на несущей раме и жестко удерживает нож в рабочем состоянии. Лемех состоит из носка, лезвия и пятки (1, 2, 3), которые обеспечивают успешное проникновение в грунт. Верхний, бороздной и полевой обрезы (6, 4, 8) совместно с крылом (5) и грудью отвала (7) благодаря своим геометрическим параметрам обеспечивают правильное перемещение и рыхление пласта. Конструкция плуга с двумя корпусами выполняют оптимальную вспашку небольших земельных участков на минитракторах. В интернете можно найти множество видео, описывающих работу таких устройств.
Крепление стойки плуга
Стойка исполняется с регулировочными отверстиями для настройки необходимой глубины вспашки. Она выполняется из металлической пластины толщиной 8-12 мм для придания достаточной жесткости при сопротивлении высоким нагрузкам при работе. Стойка крепится на раме болтами, угол наклона корпуса должен обеспечивать нормальное вхождение режущей кромки лемеха в почву.
Изготовление дышла и крепление колеса
Соединение основных узлов плуга.
Рама крепится к минитрактору с помощью стандартного сцепного пальцевого устройства или самодельного дышла. Первые можно взять со старого изношенного оборудования и приварить к передней части несущей конструкции, вторые изготавливаются своими руками в виде дышла с ручкой (примеры можно посмотреть на разнообразных видео в интернете). Различают прямое и V-образное дышло, причем второе более предпочтительное. Оно гасит боковые колебания плуга и обеспечивает прямолинейное движение.
Одной их дополнительных и управляющих деталей самодельного земельного орудия является полевое колесо. Оно служит для обеспечения легкости хода и предотвращения погружения рабочего инструмента в почву. Данные задачи может выполнять одно колесо, но на продвинутых конструкциях разделяют эти функции на два элемента. Полевое колесо крепится к раме на регулируемый кронштейн для обеспечения требуемых настроек плуга.
Крепление и изготовление рабочего органа плуга
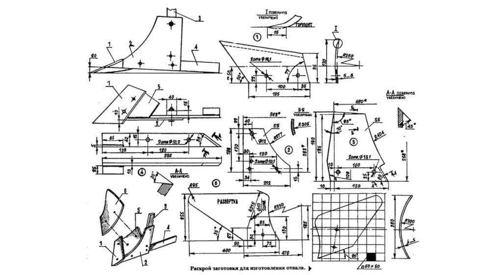
Для изготовления основного рабочего инструмента плуга своими руками нужно сделать лемех и отвал. Корпус плуга необходимо производить из легированной стали с улучшенными прочностными характеристиками. В советские времена методические центры сельскохозяйственного машиностроения советовали усиливать корпуса плугов накладками из рессорной стали при обработке иссушенных и целинных земель. Хорошей заготовкой для производства режущей части является использованный диск для циркулярной пилы, материал которого обладает повышенными показателями прочности и жесткости. Лемех имеет форму клина с рабочим углом 40-42º. Лемех рекомендуется крепить к отвалу на болтах или заклепках для возможности снятия и регулярной заточки.
Монтаж отвала
Отвал изготавливается из металлического листа толщиной 3-4 мм с последующим изгибанием газовой сваркой или на вальцевом станке. Более просто сделать самодельный отвал из трубы диаметром 500-600 мм. Сначала делается чертеж-шаблон, затем он накладывается на заготовку, отрезается газовым резаком и обрабатывается на наждаке. Отвал жестко монтируется к стойке плуга при помощи сварки.
Регулировка оборудования для минитрактора производится на ровной площадке с твердым покрытием. Полевое колесо устанавливается на подставку, выверенную под глубину вспахивания. Лемех опускается до упора с опорной плоскостью, причем пятка должна быть параллельна поверхности земли. Стойка закрепляется в выбранном положении и оснастка готова к использованию. Чтобы проверить правильность настройки плуга, нужно сделать контрольную вспашку.
Подробнее сборка плуга показана на видео:





































