Конструктивные особенности
Двигатель трактора Т-150 расположен в передней части. К нему крепится муфта сцепления и двухпоточная коробка переключения передач.
Двигатель
Продолжительное время на Т-150 устанавливались комплектующие агрегаты марки СМД-60. В сравнении с другими движками такая силовая установка отличалась особой конструкцией. Мотор имеет четырехтактное шестицилиндровое исполнение. Цилиндры при этом имеют двухрядное расположение. Левый ряд немного смещен, что позволяет произвести дополнительную установку двух шатунов.
Все агрегаты и механизмы расположены очень компактно. Топливный насос расположен в задней части силовой установки. Здесь же имеется привод газораспределения. Водяной насос имеет центробежное исполнение. По паспорту же расход топлива трактора составляет 185 г/э, л.с.ч.
На смену СМД-60 пришел безнаддувный шестицилиндровый двигатель ЯМЗ 236 ДЗ, номинальная мощность которого эквивалентна 170 л.с. Запуск такой силовой установки осуществляется посредством электростартера.
Трансмиссия
Для гусеничной вариации Т-150 устанавливается новая вариация трансмиссии. Она отличается фактическим отсутствием механизмов поворота. Их роль полностью возлагается на коробку переключения передач. Крутящий момент передается от двигателя через двухдисковое сцепление.
Коробка передач
Коробка переключения передач имеет восьмискоростное исполнение. Каждый вторичный вал передает вращение на одно ведущее колесо ходовой части. Конструктивные особенности коробки передач позволяют производить поворот трактора без последующего разрыва потока мощности от двигателя на ведущие колеса.
Кабина
Комфортабельная кабина установлена на жестком каркасном основании. Круговое остекление кабины улучшает обзорность и значительно упрощает контроль за рабочим процессом. На фронтальной части расположен специальный козырек, который препятствует попаданию солнца в глаза водителю. Стекла кабины оборудованы стеклоочистительным устройством. Функция обдува позволяет предотвратить запотевание стекол при работе.
Схема трактора Т-150
Водительская кабина имеет хорошую звуко- и виброизоляцию. Отдельного внимания заслуживает наличием качественной вентиляционной системы, которая позволяет работать в комфортных условиях. Внутри может легко разместиться два человека. При этом водительское кресло отличается наличием рессор. В кабине есть освещение, крючки для одежды, место для аптечки и термоса.
Ходовая часть
Гусеничная вариация трактора оснащается двумя гусеницами. Каждая из них устанавливается на подрессоренные каретки и опорные ролики. Встроенный механизм амортизаторов и пружин уменьшают вибрацию вследствие наезда на препятствие. Шасси расположено на несущей раме из двух лонжеронов продольного типа. Данные элементы соединены между собой посредством использования стальных поперечных брусьев. На каждую гусеницу можно включать отдельную передачу, благодаря чему можно развернуть трактора практически на месте.
Колесный трактор Т-150 оснащается четырьмя колесами. Широкая резина и достаточная ширина колесной базы минимизирует вес трактора и уменьшает давление на грунт. Все шины трактора одинаковые, а поэтому имеют идентичную маркировку.
Особенности конструкции[ | ]
На тракторе Т-150К двигатель расположен спереди. К нему крепится муфта сцепления, коробка передач и раздаточная коробка, два выходных вала которые связаны карданными передачами с коническими главными передачами, установленными в заднем и переднем мостах. (Карданная передача к заднему мосту содержит промежуточную опору). Дифференциалы главных передач соединены с планетарными конечными передачами, на которых установлены колёса с тормозами. Привод от двигателя к независимому заднему редуктору вала отбора мощности обеспечивается валом, проходящим внутри трубчатых валов муфты сцепления, коробки передач и раздаточной коробки, а затем карданной передачей с промежуточной опорой. Промежуточные опоры обеспечивают совмещение осей симметрии двойных вилок карданов с осью вертикального шарнира, что позволяет при повороте трактора сделать углы карданных передач минимальными. Поворот трактора осуществляется двумя гидроцилиндрами, разворачивающими полурамы относительно вертикального шарнира.
Двигатель
Специально для трактора Т-150К был разработан дизельный двигатель СМД-60. Двигатель шестицилиндровый V-образный, жидкостного охлаждения с турбонаддувом. Эксплуатационная мощность — 165 л. с. Запуск осуществляется пусковым бензиновым двигателем, который, в свою очередь, запускается электростартёром.
После прекращения производства двигателя СМД-60 на трактор устанавливается безнаддувный шестицилиндровый V-образный, жидкостного охлаждения двигатель ЯМЗ-236Д3 эксплуатационной мощностью 170 л. с. Запуск электростартёрный.
Трансмиссия
Коробка передач имеет несколько диапазонов (замедленый, рабочий, транспортный и задний ход), в каждом из которых 4 передачи, переключаются без разрыва потока мощности. Вторичный вал коробки передач снабжен персональными гидроподжимными муфтами, соединяющими его с ведомыми шестернями четырёх передач. При переключении передач сначала включается гидроподжимная муфта последующей передачи, затем выключается гидроподжимная муфта предыдущей передачи. Долю секунды обе муфты включены, что и обеспечивает безразрывность переключения. Диапазоны переключаются при остановке трактора. Задний мост постоянно ведущий, передний — отключаемый.
Кабина
Шумо-, пыле-, виброизолированная, с 2013 г. оборудованная каркасом безопасности. Кабина находится в зоне центра тяжести, поэтому колебания минимальны и условия труда тракториста максимально комфортны.
Рама
Состоит из передней и задней полурам, связанных вертикальным (для обеспечения поворота трактора) и горизонтальным (для обеспечения контакта с почвой всех четырёх колёс) шарнирами. Полурамы изготовлены из продольных швеллеров (прокат) и поперечных литых брусьев. Соединены элементы рамы заклёпками.
Достоинства трактора Т-150К
- Возможность работы на магистральных дорогах с твёрдым покрытием за счёт колёсного хода и обеспечения габарита по ширине менее 2,5 м
- Универсальность. Увеличенная база трактора (расстояние между осями передних и задних колёс), установка одинаковых передних и задних колёс увеличенной грузоподъёмности, наличие свободного пространства на задней полураме позволяют существенно увеличить количество агрегатируемых с трактором сельхозмашин
- Повышение надёжности и долговечности
- Улучшение условий труда
- Повышенные транспортные скорости
Недостатки трактора Т-150К
- Увеличение удельного давления на грунт в два раза, буксования — в три раза
- Уменьшение тягового усилия на 20-30 %
- Уменьшение производительности тракторного агрегата
- Увеличение расхода топлива на 10 %
- Увеличение стоимости. Для обеспечения безопасности труда установлена кабина со встроенным каркасом безопасности
Технические параметры и конструкция основных агрегатов трактор Т-150
Двигатель
На тракторе устанавливались следующие дизельные четырехтактные силовые агрегаты с водяным охлаждением:
- СМД-61 – производства ХЗТД.
- ЯМЗ-236Д – производства Автодизель.
Двигатели Т-150 обладали следующими техническими характеристиками (в скобках для модели ЯМЗ-236Д):
- Мощность – 160 л. с. (175).
- Число цилиндров и расположение – 6 шт., V-образное.
- Частота вращения – 2000 об/мин (2100).
- Объем – 9,15 л (11,15).
- Вес – 0,95 т (1,00).
- Способ запуска – электрический стартер.
- Расход топлива – 217 г/кВт.час (220).
Трансмиссия
Трактор Т-150 с любым из моторов оснащался механической трансмиссией, которая комплектовалась КПП Т-150, муфтой сцепления с двумя дисками в сухом исполнении, задним валом отбора мощности, двумя коническими главными передачами. На Т-150, коробка передач имела гидроуправление и обладала схемой переключения, позволяющей изменять передачи во время движения под нагрузкой. Количество передач с учетом деления на диапазоны составляло:
- передний ход – 9;
- задний ход – 3.
Такая конструкция трансмиссии обеспечивала следующая скоростные характеристики:
- Наибольшая скорость движения::
- вперед – 15,65 км/ч.
- назад – 7,80 км/ч.
- Наименьшая::
- вперед – 4,30 км/ч.
- назад – 5,80 км/ч.
ВОМ имеет независимое исполнение и обладает двухскоростным вариантом вращения. При этом частота составляет 1000 или 540 об/мин.
Кабина

Кабина, которая устанавливалась на трактор, была выполнена в двухместном варианте. Сидения имели подрессоренное исполнение, место механизатора регулировалось по высоте. Сама кабина обладала каркасной конструкцией, небольшим весом, имела хорошую шумоизоляцию, высокую герметизацию, круговое остекление, при этом передние стекла были оборудованы стеклоочистителями. Комплектовалась специальным отопителем для работы в холодное время.
Характеристики Т-150

Трактор Т-150 имеет следующие технические характеристики:
- Длина – 5,00 м.
- Ширина – 1,88 м.
- Высота – 2,68 м.
- Агропросвет – 0,30 м.
- Масса – 7,95 т.
- База – 1,80 м.
- Колея – 1,45 м.
- Грузоподъемность навесного устройства – 3,50 т.
Заправочные параметры сельхозмашины:
- Масло::
- Двигатель – 19,8 л.
- Рулевое управление – 33 л.
- КПП Т-150 – 38,0 л.
- Гидросистема – 50 л.
- Ведущий мост – 34 л.
- Редуктор ВОМ – 3,6 л.
- Топливо – 15 л.:
- Охлаждающая жидкость – 41 л.:
Это интересно: Обзор и технические характеристики трактора Владимирец Т-25: читаем во всех подробностях
Устройство трактора Т-150К
Трактор Т-150К имеет переднее расположение двигателя также как у МТЗ 892. За двигателем располагается (жестко закрепляется) коробка передач, на ней — кабина с топливным баком в задней части. Коробка передач имеет несколько режимов (транспортный, рабочий, тяговый (медленный), задний ход), в каждом из которых 4 передачи переключаются (гидромуфтами) без разрыва потока мощности (без остановки, в движении, под нагрузкой). В конечных передачах применены планетарные редукторы.
Т-150К состоит из двух полурам: передней — с двигателем, коробкой передач и кабиной и баком; и задней — с навесной системой для крепления орудий. Ведущие мосты — одинаковые, ведущие (задний мост отключаемый), с одинаковыми широкими колесами большого диаметра. Это позволяет использовать трактор как дополнительное обородуование для комбайна Дон 1500.
Двигатель
Специально для трактора Т-150К был разработан дизельный двигатель с турбонаддувом СМД-60.
Тип двигателя: 4-тактный дизель водяного охлаждения с турбонаддувом.
Мощность (эксплуатационная), кВт (л.с.): 110 (150).
Номинальная частота вращения коленчатого вала, мин-1: 2000.
Число цилиндров: 6.
Расположение цилиндров V-образное, угол развала 90°.
Порядок нумерации цилиндров
Порядок работы цилиндров: 1-4-2-5-3-6.
Диаметр цилиндра, мм: 130.
Ход поршня, мм: 115
Топливный насос 2-плунжерный распределительного типа, с центробежным всережимным регулятором.
Форсунка безштифтовая закрытого типа, с фиксированным распылителе.
Фильтры топливные грубой и тонкой очистки (со сменными бумажными фильтрующими элементами).
Масляный насос 2 -секционный шестеренный.
Масляный фильтр полнопоточная центрифуга и сетчатый фильтр перед турбокомпрессором.
Система охлаждения жидкостная принудительная, закрытого типа.
Вентилятор 6-лопастный, с приводом от коленчатого вала.
Система пуска: пусковой двигатель с редуктором, приспособленные к дистанционному запуску. Запуск осуществляется пусковым бензиновым двигателем, который в свою очередь запускается электростартером.
Трансмиссия
Трактор оборудуется механической трансмиссией с гидроподжимными муфтами включения передач, что позволяет переключать передачи без разрыва потока мощности (на ходу, под нагрузкой). Режимы движения (транспортный, рабочий, медленный, задний ход) переключаются при остановке трактора.
У колесного трактора Т-150К крутящий момент от коробки передач передается на раздаточную коробку (в том же корпусе), а от нее — к ведущим мостам. Кроме того, от коробки передач осуществляется отбор мощности для привода навесных орудий типа КЗК-10.
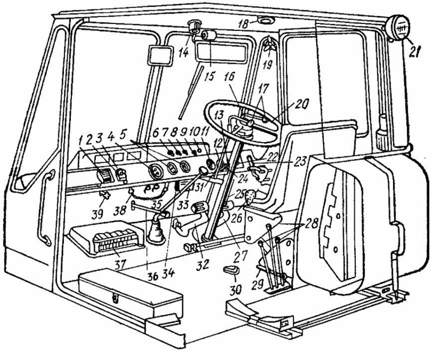
Органы управления трактором и контрольные приборы

Органы управления трактором Т-150К
1 — манометр двухстрелочный, 2 — указатель давления масла в системе смазки, 3 — указатель давления масла в гидросистеме, 4 — указатель температуры охлаждающей жидкости двигателя, 5 — амперметр, 6 — тахоспидометр, 7 — рычаг переключения передач, 8 — рычаг подачи топлива, 9 — рулевое колесо, 10 — рукоятка центрального переключателя света, 11 — включатель стартера, 12 — рычаг центрального (стояночного) тормоза, 13 — педаль управления муфтой сцепления, 14, 15, 16 — рычаги управления распределителем гидросистемы заднего навесного устройства, 17—рычаг включения привода редуктора вала отбора мощности, 18 — рычаг включения привода переднего моста, 19 — рычаг переключения диапазонов коробки передач.
Технические характеристики
Мощный и маневренный колесный полноприводной трактор отличается весьма компактными габаритами в пределах 6,13 х 2,46 х 3,17 метра. Сухой вес машины — 8400 кг, база — 2,86 метра, колея -1,68/1,86 м. Дорожный клиренс гусеничного и колесного трактора соответственно 300 и 400 мм, радиус разворота в пределах 6,5 метра.
Шарнирный каркас полурамного типа выполнен из швеллеров и балочных поперечин, скрепленных массивными заклепками. В его передней части установлен силовой агрегат, подключенный к трансмиссии через механизм сцепления, коробку передач с раздаточным редуктором и карданные приводы. Поворот шарнирной рамы производится усилием 2-х гидроцилиндров.
- Разработчик – Харьковский тракторный завод
- Тип двигателя – ЯМЗ-236Д-3, дизельный шестицилиндровый V-образный
- Мощность – 165 лошадиных сил
- Номинальные обороты в минуту – 2100 об/мин
- Рабочий объем мотора – 11 литров
- Электрический стартер – есть
- Расход топлива – 220 г/кВт в час
- Коробка передач – механическая с 12 скоростями переднего хода
- Независимый вал отбора мощности – есть
- Режимы работы ВОМ – 500 и 1000 об/мин
- Тормоза – с пневмоприводом
- Колеса – одинарные или сдвоенные (в зависимости от модификации)
- Тип задней навески – трехточечная гидравлическая
- Грузоподъемность навески – 4500 кгс
- Объем колесной базы – 2860 мм
- Параметры колеи – 1680 и 1860 мм
- Размеры трактор, мм: Длина – 6130, Ширина – 2406, Высота – 3195
- Клиренс – 400 мм
- Масса трактора – 8200 кг
- Полный привод 4х4 – есть
- Радиус поворота – 6500 мм
- Максимальная скорость вперед – 30 км/час
- Максимальная скорость назад – 10 км/час.
Двигатель
Т-150 оснащались шестицилиндровым дизельным мотором с 150 лошадиными силами. На более поздних версиях мощность двигателя была увеличена до 180 л.с. Сейчас, потенциальным покупателям предлагается еще одна модификация трактора Т-150, с двигателем от ЯМЗ с 175 лошадиными силами.
Охлаждение мотора происходит при помощи воздуха, который перед этим проходит очистку при помощи циклонно-масляных фильтров. Для облегчения запуска в холодное время года, топливо предварительно нагревается при помощи ПЖБ-10.
- Мощность рабочего состояния 129 кВт.
- Количество совершаемых оборотов вала за минуту – 2100 раз.
- Габариты мотора 112 х 105 х 106 см.
- Собственная масса 1 тонна 35 кг.
Расход топлива
Расход горючего в режиме работы составляет 258 г/кВт-ч. Объем топливного бака первых моделей составлял 375 литров, в более поздних модификациях этот показатель был увеличен до 430 л.
Сжигание топлива при работе доходит до показателя в 28 литров за время в 1 рабочий час. Полного бака на 430 литров хватает для двенадцатичасовой рабочей смены агрегата и транспортировки до гаража.
Коробка передач
Эксплуатационные возможности Т-150 расширены за счет многодиапазонной коробки передач. Режимы рабочего, транспортного, замедленного и заднего хода имеют по четыре ступени. Максимальная транспортная скорость версии Т-150К — до 30 км/ч.
Сложность конструкция КПП многократно компенсируется:
- переключением пониженных и повышенных передач без разрыва мощности;
- гибкими тяговыми характеристиками;
- многорежимной активацией рабочих органов навесных агрегатов.
Текущий ремонт КПП возможен без демонтажа ее корпуса из трансмиссии. Конструкция силовой передачи предусматривает возможность отключения переднего моста.
Расположенная в центре рамы кабина ХТЗ 150-й модели, с 1913 года получила жесткий внутренний каркас, а также более эффективное отопление. В список штатного оборудования входит удобная рулевая колонка, регулируемое по весу и росту оператора сидение, вентилятор, подогрев переднего остекления и зеркала обзора задней полусферы.
Механическая трансмиссия трактора Т150 имеет ряд особенностей: При переключении передач не происходит разрыв перехода мощности (во время езды или эксплуатации); Регулируемые характеристики тяги; Поддержка необходимой скорости эксплуатации с соответствующим навесным оборудованием. Крутящий момент от КПП передается на раздаточную коробку, а оттуда ужа к мостам. На трансмиссии происходит отбор мощности для специального навесного оборудования, типа КЗК-10.
Гидравлическая система
На тракторе Т-150 установлена задняя сцепка третьего класса тяги, которая представляет собой шарнирный четырехзвенный трехточечный механизм.
Благодаря большой мощности двигателя эта машина предназначена для проведения тяжелых работ: вспашки большим плугом целинных земель, уборки улиц от снежного покрова, трелевки леса, буксировки застрявших машин и перевозки груженых прицепов.
Это интересно: Технические характеристики и особенности трактора Т-16
Трактор Т-150
Универсальный трактор Т-150 выпускается Харьковским тракторным заводом. В этой модели отлично сочетаются качества скоростного трактора общего назначения и многофункционального транспортного тягача.
Гусеничный
Такие модели могут использоваться в процессе создания сельскохозяйственных комплексов. Бульдозеры, созданные на базе гусеничной вариации трактора ХТЗ Т-150, эксплуатируют при создании подъездных путей и во время выравнивания поверхности. Дополнительно Т-150 на гусеничном ходу может применяться для пахоты, посева, обработки и уборки урожая.
Фото гусеничного трактора Т-150

Колесный
Колесный Т-150 имеет более широкое применения. Он также может использоваться в сельском хозяйстве и дорожном строительстве. Высокие ходовые характеристики и максимальная скорость передвижения в транспортном положении качественно выделяет модель на общем фоне. Отличительной особенностью модели можно назвать минимальную нагрузку на почву, которая достигается за счет использования расширенной колесной базы. На базе колесной вариации Т-150 также создан бульдозер.
Фото колесного трактора Т-150

Трактор Т-150: особенности и отличия
Гусеничный Т-150 ХТЗ стал продолжением линейки аналогичных тракторов, заменив модель Т-74. В отличие от предшественника Т-150 получил:
- вдвое большую мощность силового агрегата;
- в полтора раза увеличенную эксплуатационную массу;
- смещенный относительно середины опорной поверхности вперед центр тяжести.
Последняя особенность позволила выравнивать давление по всей длине гусениц при условии приложения силы тяги. Смещение достигнуто, благодаря отделению КПП от заднего моста и ее переносу вперед, ближе к мотору.
Другие особенности Т-150:
- устройство коробки передач гарантирует переключение внутри диапазона без разрыва потока мощности. Сохранение мощности стало возможным благодаря попеременному включению/выключению гидроподвижных муфт предыдущей и последующей передачи. В доли секунды обе муфты остаются включенными, чем и обеспечен постоянный поток;
- при выборе кинематического способа поворота обе гусеницы машины остаются ведущими. Таким образом, вся масса трактора используется для разворота и создания силы тяги;
- при выборе силового способа поворота управление трактором осуществятся с помощью рулевого колеса.
Основные преимущества Т-150 перед Т-74:
- увеличенная производительность машины, достигнутая за счет повышенной скорости работы с большей силой тяги;
- снижение давления на грунт и, как следствие, возможность использования на черноземах, вспаханных полях и т.д.;
- снижение нагрузки на узлы трансмиссии, повышение их долговечности, уменьшение габаритов и увеличение дорожного просвета за счет использования двух потоков передачи мощности;
- более комфортные условия труда для водителя.
Устройство
Кабина
При проектировании агрегата, советские инженеры уделили отдельное внимание устройству кабины трактора. И, стоит отметить, у них получилось создать по-настоящему удобное и комфортное рабочее место
Рисунок 4. Схема кабины трактора «Т-150К»
Кабина обладала двумя полноценными местами, а также была надежно защищена от пыли и шума, которые, несомненно, сопутствовали работе тракториста. Среди систем коммуникации стоит отметить достойную систему вентиляции, а также отличное отопительное устройство. Среди оборудования кабины также можно выделить козырек, наилучшим образом защищающий глаза рабочего от солнечных лучей. В остальном все стандартно – место под медицинскую аптечку, обзорные зеркала и стеклоочистители.
Чтобы показать, насколько комфортабельно спроектирована кабина, стоит сообщить о том, что ее конструкция предусматривала даже наличие крючков для одежды! Кроме этого, присутствовали также места, предназначенные для установки термоса и кулера с питьевой водой.
Само водительское место можно было регулировать, что называется, «под себя». Механизмы позволяли регулировать высоту и уровень наклона сиденья в зависимости от массы и роста тракториста.
Навесное оборудование
Конструкционные особенности трактора «Т-150К» позволяли использовать эту машину для различных задач. В наше время на выбор покупателя предлагается огромное количество всевозможного навесного оборудования:
- Шнеко-роторное оборудование.
- Щеточное оборудование.
- Прицепное моечное оборудование.
- Снегоочистительное оборудование.
- Погрузочное оборудование.
- Узкоспециализированные навесные устройства – разбрызгиватели песка, косилки для травы, навесное сварочное оборудование, и многие другие виды навесных устройств.
Как вы видите, за годы использования, трактор этой модели был использован для решения самых разнообразных вопросов. Комплекты навесного оборудования позволяют агрегату быть полезным даже спустя большое количество времени.
Модификации тракторов Т-150 и Т-150К
С момента своего выпуска модели Т-150 и Т-150К получили широкую популярность среди пользователей. Это позволило компании-производителю машин создать еще несколько агрегатов, основой которых и послужили 150-ые модификации.
В перечень тракторов, выпущенных на базе Т-150 и Т-150К, входят:
- Т-158 – модель, предназначенная исключительно для работы в промышленности. Агрегат получил более мощный двигатель, усиленную несущую раму и механизм навески, который позволяет устанавливать на трактор буры, ковши, погрузчики и другие орудия;
- Т-155 – тягач, обладающий небольшими физическими габаритами. Модификация оборудована колесной ходовой частью с двумя ведущими мостами. Повышенные тяговые параметры мотора позволили сделать агрегат универсальной модификацией, которая часто используется для перевозки крупногабаритных твердых и сыпучих грузов на карьерах и заводах;
- Т-157 – трелевочный трактор. Машина создана специально для работы на заготовке леса. Агрегат получил улучшенную шарнирную подвеску, которая позволила его ходовой части менять положение не только в горизонтальной, но и в вертикальной плоскости;
- Т-156 – среднегабаритный погрузчик. Главные преимущества модели заключаются в низком расходе топлива и улучшенной трансмиссии. Агрегат обладает упрощенной конструкцией, что позволяет быстро выполнить его ремонт самостоятельно;
- Т-150КД – трактор, устройство которого позволяет устанавливать на машину разные виды бульдозерного оборудования. Машина выделяется повышенной стойкостью и проходимостью на мягком покрытии.
Трактор Т-150 также послужил основой для создания армейской версии Т-154, которая в наши дни активно используется для буксирования артиллерийских установок, а также для выполнения различных инженерно-строительных работ. Все запчасти этой модификации изготовлены из усиленных металлических сплавов, что сделало ее менее уязвимой в условиях проведения реальных боевых действий. Главное отличие модели от других тракторов – это крюк, который заменил стандартный маятниковый механизм навески.

































