Технические характеристики автогрейдера TEREX ГС серии
| ГС-10.01 | ГС-10.07 | ГС-14.02 | ГС-18.05 | ГС-25.09 | |
| ДВИГАТЕЛЬ | |||||
| Модель | ММЗ Д-243 | ММЗ Д-245 | ЯМЗ-236Г6 / Д-260.14 (ММЗ) | ЯМЗ-236Д4 | ЯМЗ-236БЕ2-20 |
| Тип | дизельный 4х тактный | ||||
| Рабочий объем | 4,75 | 11,15/7,12 | 11,15 | ||
| Диаметр и ход поршня | 110/125 | 130/140 / 110/125 | 130/140 | ||
| Мощность | 57,4 кВт / 2 200 об/мин | 77,2 кВт / 2 200 об/мин | 110 кВт / 1 700 101 /1 800 об/мин | 128 кВт / 2 100 об/мин | 184 кВт / 2 000 об/мин |
| Максимальный крутящий момент | 258 Нм | 384 Нм | 667 / 596,8 Нм | 667 Нм | 1 078 Нм |
| Напряжение в бортовой электросети | 24 Вольт | ||||
| Воздушный фильтр | инерц. масляный | сухой | |||
| ТРАНСМИССИЯ | |||||
| МТЗ | МТЗ | ПЗМП | ХТЗ | 6WG 190 (ZF) | |
| Тип | механическая | механ. с гидропод- жимными муфтами | гидромех. автомат. | ||
| Число передач | Передняя/ Задняя | ||||
| 18 / 4 | 6 / 2 | 12 / 4 | 6 / 3 | ||
| Колесная формула | 1х1х2 | 1х2х3 | 1х3х3 | ||
| ШИНЫ И КОЛЕСА | |||||
| Шины | 1 200×500-508 | 12,00-20 | 14,00-20 | 14,00-24 | |
| Размерность дисков колес, дюйм | 400Г-508 | 8,5-20 | 10,0-24 | ||
| Норма слойности (PR) | 10 | 8 | 14 | 16 | |
| ТОРМОЗНАЯ СИСТЕМ | |||||
| Тип | дисковые | сухие | колодочные | дисковые в масле | |
| Стояночный тормоз | дисковый сухой | ||||
| ГС-10.01 | ГС-10.07 | ГС-14.02 | ГС-18.05 | ГС-25.09 |
| МОСТЫ | |||||
| Мосты | МТЗ | ЧЗСА | ZF (Германия) | NAF (Германия) | |
| Угол качания моста | +- 16° | ||||
| Дорожный просвет | 490 мм | 600 мм | 635 мм | ||
| Задний мост, модель | 80-0002000 | А120.00.00 | MT G3080 | BRA02 | |
| Расстояние между осями заднего моста | нет | 1 296 | 1 420 | 1 495 | 1 540 |
| РУЛЕВОЕ УПРАВЛЕНИЕ | |||||
| Тип | Гидростатический | ||||
| Минимальный радиус поворота | 4 750 мм | 5 500 мм | 7 500 мм | 7 800 мм | |
| РАМА | |||||
| Тип | Шарнирно-сочлененная | ||||
| ГИДРАВЛИЧЕСКАЯ СИСТЕМА | |||||
| Тип | Постоянного объема | ||||
| Производительность при 2 000 об/мин насоса | 84 л. | 96 л. | |||
| Максимальное давление | 13 мПа | 14 мПа | |||
| ТЯГОВАЯ РАМА | |||||
| Тяговое усилие на ноже при Ксц.* 0,9 | 4 500 кг | 5 508 кг | 7 965 кг | 9 445 кг | 16 515 кг |
| * Ксц. — коэффициент сцепления | |||||
| ПОВОРОТНЫЙ КРУГ | |||||
| Тип | неполноповоротный | полно- поворотный | неполноповоротный | ||
| Диаметр круга | 1 160 | 1 200 | 1 458 | ||
| Число зажимных пластин | 3 | ||||
| Число гидроцилиндров | 2 | червячный редуктор | 2 | ||
| Угол поворота | +- 45° | 360° | +- 65° | ||
| ГС-10.01 | ГС-10.07 | ГС-14.02 | ГС-18.05 | ГС-25.09 |
Автогрейдер TEREX GS Series габариты
Устройство

Используется машина такого класса для планировки дорожного полотна и его профилирования. Дополнительно он применяется для создания насыпей из гравия, разных типов грунта и щебня путём их разравнивания, перемещения. В зимний период допускается применение автогрейдера ГС-14.02 для расчистки дорожно-транспортных путей от осадков и образовавшегося льда. Возможно это благодаря широкому диапазону рабочих температур и адаптации для работы в тропических и умеренных широтах.
Широкий захват грейдерного полотна образуется за счёт использования шарнирно сочленённой рамы и поворотного грейдерного и бульдозерного отвалов. Такая конструкция также позволяет использовать машину для профилирования при обратном направлении движения за счёт заднего хода. Отвал располагается непосредственно между передней и задней осями, и является полноповоротным.
Особенность конструкции автогрейдера ГС-14.02 в том, что он комплектуется съёмным оборудованием. Поэтому его бульдозерный отвал можно заменить рыхлителем-кирковщиком, а его, в свою очередь, можно поменять на рыхлитель-скарификатор. Мощность оборудования напрямую зависит от используемого двигателя, но ввиду того, что существует несколько вариантов исполнения, каждую модификацию стоит рассматривать отдельно, опираясь на технические характеристики.
Автогрейдер ГС-14.02 приспособлен для работы на высокогорных участках. Во многом это доступно благодаря используемой трансмиссии. Она здесь немецкого производства. Тормозная система двухконтурная гидравлического типа с резервным источником мощности. Дополняет её стояночный тормоз с блокировкой включения передач. Гидравлика снабжается насосом постоянного объёма. Она включает 6 гидроусилителей для основного оборудования и четыре электрических модуля для дополнительного оборудования, а также гидрозамки для контуров.
Работу оператора облегчает автоматическая система управления отвала. Для этого в конструкции предусмотрены ряд датчиков и балансиры, также содержащие датчики.

- длина — 8820 мм;
- ширина — 2500 мм;
- высота по крышу кабины — 3475 мм;
- эксплуатационная масса — 13 500 кг.
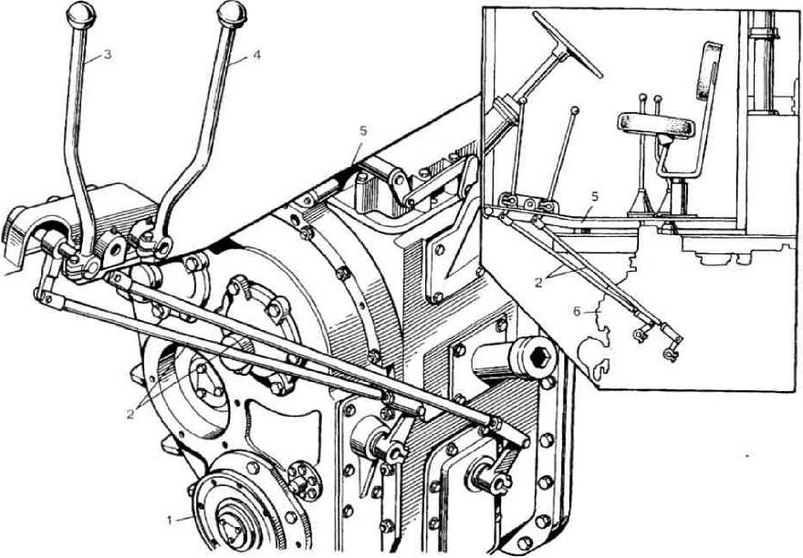
Органы управления

Рулевое управление воздействует на переднюю пару поворотных колес через привод, состоящий из двух гидроцилиндров. Механической связи колес и рулевой колонки нет.
Тормоза колодочного типа с гидроприводом установлены на колесах заднего моста. Тормоз стоянки дискового типа воздействует на вал ведущей шестерни центрального редуктора. Демпферы крепления кабины, устройства отопления и вентиляции, пружинная подвеска сиденья создают комфортные условия оператору.
Оборудование кабины продумано, эргономика салона современного уровня. Остекление с минимумом закрытых зон, фары освещения и зеркала обеспечивают обзор рабочей зоны и визуальный контроль узлов автогрейдера.
Усиленная стальными вставками кабина предохраняет оператора при аварийных ситуациях. Поворотный круг для монтажа грейдерного отвала закреплен в трех местах устройствами зажимного типа. Управляется парой гидроцилиндров с клапанами, настроенными на снятие ударных нагрузок.
УСТРОЙСТВО ГС 10.01
Рамный узел ГС 10.01 выполнен в виде шарнирного узла, состоящего из 2-х полурам, соединенных вертикальным механизмом. Это повышает маневренность машины во время транспортировки и позволяет перемещать передние гусеницы по отношению к задним гусеницам. Автогрейдер имеет колесную формулу 1 х 2 х 2. Ходовая часть имеет 2 оси и 4 пневматических колеса (2 рулевых, 2 ведущих колеса). Размеры покрышки 1200 на 500-508. Для повышения устойчивости при работе на склонах передние колеса предлагаются с боковым наклоном (угол наклона 20 градусов). Наклон задается с помощью гидроцилиндра (цапфового устройства).
Ширина колеи:
- передние колеса – 1800 мм;
- задние колеса – 1770 мм.
Трансмиссия GS 10.01 состоит из механической коробки передач, редуктора, заднего моста, промежуточного редуктора, однодискового сухого сцепления и тормозной системы. Коробка передач Powershift позволяет переключаться между 9 передачами переднего хода и 2 передачами заднего хода без необходимости включения сцепления в каждом диапазоне. Повышающая передача увеличивает количество передач в 2 раза (18 вперед и 4 назад). Сцепление сухое, однодисковое, с демпфированием крутильных колебаний (установлено на маховике двигателя).
Диапазоны скоростей движения:
- передний — с 1,97 до 35,00 км/ч;
- реверс — с 4,16 до 9,37 км/ч.
Рабочие тормоза представляют собой дисковые устройства с гидравлическим приводом, установленные на валах колес. В качестве стояночного тормоза используется сухой дисковый тормоз с механическим приводом.
Колеса передней оси управляются рулевым колесом с гидростатическим приводом.
Гидравлическая система обеспечивает работу основных органов (грейдер и бульдозерный отвал) и рулевого управления. Передний привод доступен в качестве опции. Гидравлическая система включает шестеренный насос (производительностью 84 л/мин), клапаны и золотники. Мощность гидросистемы 100 литров.
Кабина автогрейдера изготовлена из листового металла и имеет одно рабочее место. Дополнительно он оснащен механизмами предотвращения опрокидывания и падения (FOPS и ROPS). Кабина оборудована вентиляционными и отопительными приборами. Сиденье оператора оснащено механизмом регулировки высоты. Площадь рабочего органа прекрасно просматривается благодаря большой площади остекления, набору зеркал и осветительных приборов.
Автогрейдер ACCO
Единственный в своем роде самый мощный и тяжелый автогрейдер был создан в Италии еще в 1980 году. Его вес — 160 тонн, а для обеспечения его работы используются два двигателя Caterpillar — мощностью 700 л. с. и 1000 л. с. Длина ножа грейдера составляет 10 метров.
Машина так никогда и не приступила к своим обязанностям. Дело в том, что создавали его по спецзаказу властей Ливии, но после ссоры Муаммара Каддафи с другими странами мира из-за пособничества террористам производитель грейдера не имел права поставить его заказчику. Поэтому громадина так и стоит на заводе в Италии. Правда, уже в полуразобранном виде.
УСТРОЙСТВО ГС 14.02
ГС 14.02 имеет рамную конструкцию с необходимой степенью жесткости и следующими особенностями:
- Сварная передняя рама изготовлена из стали в формате сварного короба с небольшим наклоном передней части для улучшения обзора из кабины;
- Задняя рама со специальными креплениями позволяет устанавливать модульные аксессуары.
Петли рамы приводятся в действие гидравлическими цилиндрами, которые позволяют поворачивать раму на 26 градусов в обоих направлениях.
В шасси используется колесная формула 1 на 2 на 3. Колеса крепятся к ступицам оси с помощью штифтового соединения. Базовая версия шин одинакового размера 14.00-20 (модель ОИ-25). Колея спереди и сзади одинаковая (2050 мм).
Первоначальная модификация ГШ 14.02 оснащалась трансмиссией Псковского завода механических приводов с 6 передачами переднего хода и 2 передачами заднего хода. Выбор передач механический. Более поздние версии комплектуются автоматическими коробками передач марки ZF (Германия). Шестерни дополнены дифференциалом No-Spin и тандемной тележкой NAF. Автогрейдер может двигаться со скоростью 4,1-34,2 км/ч.

Рабочая тормозная система основана на гидравлических дисковых тормозах, которые приводятся в действие педалью. Двухконтурная тормозная система прикладывает одинаковое усилие ко всем колесам, что повышает эффективность торможения. Для повышения надежности системы используется резервный источник питания. Стояночный тормоз воздействует на ведущую шестерню в центральной коробке передач.
Гидравлическая система автогрейдера приводится в действие поршневыми насосами и имеет опрокидывающее устройство, которое активируется, когда румпель находится в нейтральном положении. Рабочие органы управляются 6 ручными золотниками.
Просторная кабина установлена на амортизаторах для снижения вибраций в салоне. Интерьер был разработан с особой тщательностью, а все элементы управления расположены эргономично. Вентиляция и отопление обеспечивают оптимальный микроклимат в салоне. Дополнительную защиту оператора обеспечивают стальные вставки в кабине.
Стоимость новых моделей GS 14.02 начинается от 6,2-6,3 млн рублей. В то же время на рынке много подержанных моделей. Цена комплектаций (2007-2013 гг.) колеблется от 1,2 до 3,6 млн рублей.
Грейдер ГС 25.09
Автогрейдер ГС 25.09 — тяжелая модель с гидрообъемным передним ведущим мостом и шарнирно-сочлененной рамой производства «Брянский Арсенал» (выпуск начат в 2006 году). Эту серию отличает множество инновационных решений в конструкции (датчики контроля положения лопастей, самодиагностика шестерен и др.) Это оборудование адаптировано для работы в сложных условиях с высокими нагрузками. Основные функции выполняет рабочий орган (лемех), который может перемещаться вниз и вверх и изменять свое положение в горизонтальной и вертикальной плоскости.
Направления использования грейдера ГС 25.09:
- Строительство, содержание и ремонт дорог различных категорий;
- уборка снега и дренирование;
- рыхление дорожного покрытия перед ремонтом и восстановлением;
- Земляные работы и профилирование в городском, аэропортовом, железнодорожном и гидротехническом строительстве.

ГС 25.09 работает на грунтах I-IV категорий без предварительного рыхления. Работа возможна только с первоначальным рыхлением на более плотной поверхности. Диапазон рабочих температур автогрейдера от -40°С до +40°С (умеренный климат).
Технические и эксплуатационные параметры
| Класс агрегата | Легкий, 100 |
| Вес готового к эксплуатации грейдера, т | 7,50 |
| Весовая нагрузка, т на заднюю ось на переднюю ось | 5,00 2,50 |
Геометрические параметры по габаритам машины, м | |
| по длине по ширине по высоте (исключая маячковое устройство) | 7,04 2,40 3,22 |
| Расстояние между осями (база) | 4,20 |
Параметры колеи, м | |
| по колесам передней оси | 1,80 |
| по колесам задней оси | 1,77 |
| Рамное устройство | Сочленение через шарнир |
| Разворот по внутренним колесам – радиус, м | 4,75 |
| Силовая передача | Механическая |
Число режимов передачи момента вращения | |
| Режим переднего хода | 9х2 |
| Режим реверса | 4 |
Скорость в рабочем, транспортном цикле, км/ч | |
| При движении вперед | 1,97-35,0 |
| При заднем ходе | 4,16-9,37 |
| Изменение направления хода | Рулевой колонкой с гидравлическим приводом, с усилением момента вращения руля |
Отвал грейдерного типа | |
| Длина по крайним точкам отвального устройства, мм | 2730 |
| Высота по крайним точкам, мм | 470 |
| Угол разворота отвального устройства, град. | 45 |
Вынос отвала вбок | |
| Вправо от оси машины, м | 0,60 |
| Влево от оси машины, м | 0,40 |
| Установка углов ножевых пластин, град. | 30-70 |
Размеры отвала бульдозерного типа (переднего), мм | |
| По длине | 2 440 |
| По высоте + ножи | 625 |
| Заглубление ниже рабочей площадки | 50 |
| Пневмошины 1200х500-508 Дисковые устройства 400Г-508 | С широким профилем, на повышенную проходимость |
Исполнительные органы
Главное рабочее оборудование – отвальный узел грейдерного типа, который при последовательных проходах машины по рабочей площадке режет, перемещает, разравнивает грунт, планирует поверхность.
Узел грейдерного отвала собирается из:
- отвала, изготовленного из высокопрочной стали, оборудованного заменяемыми ножевыми пластинами;
- тяговой рамы из соединенных сваркой коробчатых стальных профилей;
- кованного круга неполноповоротного типа, с углами установки 45 градусов на обе стороны. Оборудован 3 точками зажима для крепления отвала и 2 гидравлическими цилиндрами для его поворота. Зубчатый венец допускает замену.
Вам будет интересно изучить технические характеристики автогрейдера ГС-14.02, а также его достоинства и недостатки.
А вот по этому адресу: http://spez-tech.com/tehnika/kommunalnyie-mashinyi/asfaltoukladchiki/ds/191-harakteristiki-opisanie-dostoinstva-i-nedostatki-primeneniya.html — мы расскажем об особенностях асфальтоукладчика ДС-191.
В этой статье вы найдете обзор технических характеристик автогрейдера ДЗ-98.
Конструкция автогрейдера предусматривает вылет рабочего органа за пределы колеи на обе стороны и сдвиг отвала вбок. Профилирование откосов полотна возможно с углами до 45 градусов.
Спереди агрегата монтируется отвал бульдозерного типа, применяемый для выравнивания грунта, заполнения пустот в дорожном полотне, распределения по поверхности рабочей площадки сыпучих материалов.
Устройство
Автогрейдер ДЗ-143 состоит из следующих основных частей: Длинной и выгнутой в средней части основной рамы 1, служащей для установки на ней всех механизмов автогрейдера и опирающейся сзади на заднюю тележку 10, снабжённую балансирами с ведущими колёсами 8, а спереди на переднюю ось 4 с управляемыми колёсами; двигателя 14, закреплённого сверху рамы над задней тележкой; трансмиссии, передающей вращение от двигателя к ведущим колёсам, гидронасосам и пр.; грейдерного отвала 7, расположенного в пространстве под выгнутой узкой в плане частью рамы, называемой хребтовой балкой, на специальной тяговой раме 6, закреплённого с помощью сферического шарнира на концевой части хребтовой балки над передней осью и двух гидроцилиндров подъёма отвала 2, установленных на кронштейнах с двух сторон хребтовой балки в её самой приподнятой части; кабины 11 с органами и пультом управления и сиденьем машиниста; отвала бульдозера 5, гидроцилиндра 12 для их привода; капота 9 с откидными стенками, закрывающего двигатель; электросистемы сигнализации и освещения13.
Изучая руководство по эксплуатации грейдера ДЗ-143 можно отметь, что главными рабочими отсеками машины служит полноценная гидравлическая система. Конструкция рамы жёсткая, что позволяет выполнять сложнейшие технологические операции, в частности поднимать достаточный объем материала грунта.
Габаритные размеры
Основные габариты:
- Длина – 8950 мм;
- Ширина – 2500 мм;
- Высота – 3510 мм (маяк не учитывается);
- Длина грейдерного отвала – 3740 мм;
- Высота грейдерного отвала – 620 мм;
- Боковой вынос – 800 мм;
- Опускание ниже опорной поверхности – 250 мм.
Что касается бульдозерного отвала, то его высота составляет 840 мм. Ширина рыхления доходит до показателя в 1300 мм, глубина – до 250 мм. По стандартной схеме, рыхлитель оснащается тремя зубьями. Размер шин составляет от 14 до 20 дюймов.
Кабина
Кабина оператора достаточно просторная, что позволяет специалисту в некоторых случаях производить действия, при проведении дорожных работ стоя, не используя сидение. Все элементы управления машиной находятся в шаговой доступности. Есть недостатки, это отсутствие должной системы кондиционирования, что создаёт проблемы во время эксплуатации грейдеров в жарких районах. Оператором приходилось постоянно держать дверь открытой, создавая циркуляцию воздуха. Пыль и грязь, которые попадали извне, создавали проблемы в работе грейдерной техники.
Видимый обзор из кабины оператора достаточно объёмный и просторный, что даёт повод говорить об удобном варианте проведении технологических операций. В настоящее время грейдер снят с производства, но запасные части выпускаются смежными поставщиками, поэтому нет проблем с покупкой запасных частей популярного грейдера советской эпохи.
Оборудование
В передней части машины расположены отвал и планировочный нож – это основные элементы грейдера.
Грейдер дз 143 и его руководство по эксплуатации предусматривают возможность комплектации машины дополнительными рабочими органами:
- Кирковщиком с зубьями. Благодаря этому приспособлению можно разрыхлять твёрдые грунты и вскрывать во время ремонта изношенные покрытия: асфальтобетонные и щебёночные.
- Подметальной щёткой. Данная конфигурация оборудования весьма эффективна в летнее время. Она позволяет эффективно работать над содержанием дорог: устранять грунтовые наносы с кромки покрытия и убирать мусор с проезжей части.
- Дорожным плугом. Это устройство применяется для организации проходов на участках с глубоким снегом. Оно пользуется популярностью при проведении работ по удалению большого количества снежных масс на дорогах и аэродромах.
- Боковым снегоочистителем. Данный предмет представляет собой традиционный отвал, который монтируется к правой части грейдера и обеспечивает выброс снега за границы очищенного участка.
- Ледорезом. При помощи этого органа осуществляется удаление льда и массивов утрамбованного снега с проезжей части дорог. Стоит отметить, что при проведении работ в зимнее время машина дополнительно оснащается цепями противоскольжения, которые устанавливаются на задние колёса машины
Прицепные и полуприцепные агрегаты – в чем различия
В прицепном грейдере между передней осью и задним мостом на основной раме монтируются тяговая рама с поворотным круговым механизмом и отвалом. Колёсная ось соединена с буксирной скобой трактора дышлом. Управляет установкой отвала оператор при помощи штурвального механического привода или рычагов золотникового устройства гидросистемы.

Рисунок 1 Прицепной грейдер со штурвальным управлением машинистом
У полуприцепного грейдера передний мост, как правило, отсутствует, длина машины меньше. Основная рама соединяется с прицепным устройством трактора через узел шарового шарнира. Управление гидравлическим приводом установки отвала осуществляет оператор тягового трактора.
Оба агрегата буксируются гусеничным или колёсным трактором. Cтоимость прицепных устройств значительно ниже чем самоходных аналагов.

Рисунок 2 Трактор Т-150 и полуприцепной гидрофицированный грейдер СД-105А
Прицепной грейдер конструктивно сложен, малоэффективен в применении. Недостатком является управление, помимо тракториста, оператором агрегата. Подобные машины со штурвальным механизмом установки отвала не выпускаются и заменены на более производительные полуприцепные грейдеры с гидравлическим приводом исполнительного оборудования, управляемые машинистом трактора:
- СД-105А для тяговых гусеничных и колёсных машин ДТ-75, Т-150К, К-701;
- ДЗ-168 под трактор Т-150К.
Область применения:
Основные области применения грейдеров — дорожно-строительная отрасль, сельское хозяйство, коммунальное хозяйство, строительство и обслуживание аэродромов. В дорожно-строительной отрасли их используют для нивелировки дорожных оснований, возведения земляного полотна с использованием боковых резервов (в слабопересеченной и равнинной местностях при высоте насыпи менее метра). Грейдерами проводят послойное разравнивание грунта после работы землеройных машин, с их помощью обустраивают водоотливные каналы, откосы, обочины, выемки и насыпи. Грейдеры широко используются при ремонте гравийных и грунтовых дорог, в ирригации и мелиорации земель, для очистки улиц и дорог от снега.
Информация взята с сайта
Преимущества моделей автогрейдеров Terex Gs
ГС-10.01
- Увеличенный дорожный просвет;
- Малые габариты и высокая маневренность для работы в условиях городской застройки.
ГС-10.07
- Увеличенное тяговое усилие за счет применения тандемной тележки;
- Малые габариты и высокая маневренность для работы в условиях городской застройки.
ГС-14.02
Оптимальное решение для строительства и содержания дорог.
ГС-18.05
Цельносварная Т-образная тяговая рама обеспечивает оптимальный обзор рабочей зоны.
ГС-25.09
- Современная просторная кабина, обеспечиваюящая комфортную работу оператора;
- Эффективная автоматическая трансмиссия 6/3 с возможностью ручного управления;
- Гидростатический отключаемый привод перед- него моста;
Тандемная балансирная тележка с самоблокирующимся дифференциалом.
Технические характеристики

Автогрейдер ГС 14.02 — современная машина 140 класса, в устройстве которой использованы отечественные и импортные комплектующие. Крупные узлы и агрегаты созданы в соответствии с требованиями пользователей к техническим показателям строительных машин. Грейдер комплектуется различными силовыми агрегатами и предлагает владельцам расширенные возможности.
- Класс — 140;
- Эксплуатационная масса, кг — 13 500;
- Двигатели Д442 / Д260 / ЯМЗ-236 / Cummins 6ВТ5.9-С135 / Cummins 6ВТА-С165;
- Трансмиссия — механическая;
- Скорость передвижения ГС-14.02, км/ч: 4,1-34,2;
- Число передач автогрейдера: вперед — 6; назад – 2;
- Колесная формула автогрейдера 1х2х3;
- Габаритные размеры ГС-14.02, мм 8820х2500х3475;
- Шины: 14.00-20.00;
- Грейдерный отвал: Габаритные размеры, мм — 3740х620х250;
- Вынос, мм — 800;
- Угол зачистки откосов, град — 90.
Двигатель

Производитель предлагает покупателям выбор из пяти комплектаций. Первоначально машина снабжалась отечественным мотором марки Д-442. Это турбированный дизель с номинальной мощностью 100 л.с. Позднее стали доступны модели с силовыми агрегатами Д-260 и ЯМЗ-236 с номинальной мощностью 100 и 110 л.с. соответственно.
Самые современные машины комплектуются импортными двигателями американской марки Cummins. Модель Cummins 6ВТ5.9-С135 выдает максимальную мощность 100 л.с. Модель Cummins 6ВТА-С165 работает на максимальной мощности 120 л.с. Американские моторы отличаются надежностью и не требуют серьезного ремонта на протяжении длительного времени. С другой стороны, российские силовые агрегаты дешевле в обслуживании, а запчасти на моторы автогрейдера ГС 14.02 доступны в любом регионе.
Расход топлива
Эта модель устройства снабжена объёмным топливным баком на 490 литров. Для различных комплектаций автогрейдера используются собственные двигатели, поэтому расход топлива зависит от их мощности. Чаще всего для этих целей используются двигатели с потреблением 220 -230 г/кВтч.
Коробка передач

На современных грейдерах ГС 14.02 устанавливаются автоматические коробки переключения передач немецкой марки ZF. В стандартной комплектации с отечественным силовым агрегатом машина поставляется с механической коробкой передач. ГС 14.02 может двигаться с шестью скоростями вперед и двумя назад. При этом скоростной диапазон составляет 4,1-34,2 км/ч.

Производитель применил в ходовой части грейдера колесную формулу 1х2х3. На базовых моделях устанавливаются шины 14.00-20. КПП дополнена тандемной тележкой компании NAF и дифференциалом типа No-Spin. Рабочая тормозная система представлена дисковыми тормозами, управляемыми педалью. В устройстве применена двухконтурная система тормозов, обеспечивающая одинаковое усилие на всех колесах автогрейдера. Для повышения надежности тормозной механизм оснащается резервным источником мощности.
Гидросистема
Гидравлическая система ГС 14.02 использует насос постоянного объема с дополнительной системой разгрузки рабочего узла при нейтральном положении рукояти управления. Функционирование системы обеспечивают шесть ручных гидрораспределителей, с помощью которых осуществляется управление рабочими органами. Четыре электрических гидрораспределителя используются для выполнения сопутствующих операций.
Рабочее оборудование и характеристики отвала
Автогрейдер ГС 14.02 оснащается полноповоротным грейдерным отвалом со следующими характеристиками:
- длина — 3740 мм;
- высота — 620 мм;
- опускание ниже опорной поверхности — 250 мм;
- вынос — 800 мм;
- угол зачистки откосов — 90 градусов.
В качестве сменного рабочего оборудования производитель поставляет:
- боковой грейдерный отвал;
- поворотный бульдозерный отвал;
- задний рыхлитель.
Назначение и особенности машины
Относится к среднетоннажным, менее 14 т эксплуатационного веса, машинам. Используется при осуществлении масштабных проектов по строительству объектов транспортной инфраструктуры – автомобильных дорог, железнодорожных путей, аэродромов.
Выполняет работы по механизации:
- перемещения грунта, его рыхления, киркования, укладки;
- формирования кюветных траншей, насыпей с различными уклонами;

распределения инертных материалов по полотну дороги;
снегоуборки.
Особенности агрегата:
- Колесная формула 1х2х3 – 3-осная, с парой ведущих осей и одной управляемой.
- Работает по грунтам с I по III категорию в условиях температур от +40° С до -40° С.
- Полноповоротный грейдерный отвал с приводом от червячного редуктора обеспечивает профилирование поверхности при движении назад.
- Формирует откосы с углом в 90 град.
- Шарнирное соединение рамы обеспечивает прочное сцепление с неустойчивым грунтом и наклонными плоскостями рабочей площадки.
- Возможность использования 15 видов навесного оборудования. Допускается установка дополнительных механизмов на переднюю, заднюю полурамы с широкими параметрами в горизонтальной и вертикальной плоскости и с выносом на одну из сторон, что расширяет технологические возможности машины.
- Полная обзорность рабочей площадки из кабины, дополнительные фары и проблесковый маяк. Гидравлическое управление рабочим оборудованием.
- Опционная установка систем электронного контроля узлов и агрегатов, модуля ГЛОНАСС, автоматики нивелирования, видеокамеры контроля задней сферы, устройства централизованной смазки шарнирных соединений.
Мы расскажем, как устроен автогрейдер ДЗ-122 и какими техническими характеристиками он обладает. Из следующего обзора вы узнаете особенности управления мини-погрузчиком Bobcat S175.
https://youtube.com/watch?v=to0kEQKgs0I
Кинематическая схема
Крутящее усилие от двигателя передается через механизм сцепления, понижающий редуктор, коробку переключения передач, промежуточный редуктор, карданное устройство, мост на ведущие задние колеса.

Подача вращения на насос гидросистемы грейдера обеспечивается устройством независимого отбора мощности от опорного диска сцепления.
В опционной поставке предусматривается гидромеханический привод переднего моста (два гидромотора хода), который включается принудительно машинистом-оператором.
Силовая установка
Дизель производства Минского моторного завода на 4 рабочих такта, атмосферный без наддува, охлаждение жидкостное, частота вращения вала регулируется механически.
| Рядность цилиндров в блоке и их количество | Однорядный, 4 |
| Литраж цилиндровой группы, л | 4,75 |
| Степень сжатия | 16 |
| Расходные параметры по горючему в граммах на киловатт мощности | 226 |
| Параметр мощности при 2200 оборотах за минуту, кВт | 60 |
| Усилие крутящего момента на валу при 1 600 оборотах за минуту, Нм | 258 |
Использована капотная система, что дает удобный доступ к узлам и агрегатам двигателя.
Узлы и агрегаты трансмиссии
Устройство механического типа передает и усиливает крутящий момент на приводные колеса.

Фото: муфта сцепления грейдера ГС-10.01
Муфта сцепления – однодисковая, сухая, постоянно замкнутая с механизмом гашения крутильных колебаний. Смонтирована на маховике двигателя и входном валу коробки передач, закрыта картерной крышкой.
Коробка передач – устройство механического типа с функцией переключения под нагрузкой позволяет выбрать один из 9 режимов крутящего момента. Использование понижающего редуктора увеличивает число передач вдвое.
Коробка работает в 18 диапазонах при движении вперед и 4 на заднем ходу. Механизм оборудован синхронизаторами, узел блокировки переключения режимов отсутствует.
Механизм главной передачи оборудован узлом принудительной блокировки дифференциального устройства и планетарными редукторами бортов. Вращение вала главной передачи моста передается ведущим колесам через зубчатую передачу балансиров.
Рамный узел
Шарнирно-сочлененное устройство, состоящее из двух полурам, соединяемых через вертикальный механизм. Повышает маневренность агрегата при транспортных перемещениях, уменьшает радиус разворота и допускает смещение колеи колес передней оси по отношению к колее задних.
Ходовая часть

Состоит из 4 пневмоколес с размерностью 1 200х500-508. Всего осей – 2. Управляются 2 колеса, ведущие 2 неуправляемых.
Важно! Для повышения параметров устойчивости при передвижении по склонам предусмотрена возможность установки колес переднего моста с боковым уклоном (угол ± 20°). Изменение наклона обеспечивает гидроцилиндр через цапфовое устройство.
Рулевое управление и тормозные устройства
Управление направлением колес передней оси автогрейдера осуществляется рулевым колесом через гидростатический привод.
Механизмы торможения: рабочие с гидроприводом – дисковые устройства на колесных валах, стояночный тормоз сухого типа в дисковом исполнении с механическим приводом.
Гидравлика
Постоянного объема на 100 л рабочей жидкости. Шестеренчатый насос при 1 600 оборотах обеспечивает производительность 84 литра в минуту при показателе давления 13 мПа. Обеспечивает работу узлов:
- установки рабочих органов (грейдерного и бульдозерного отвалов);
- рулевого воздействия на колеса управляемой оси;
- в опционной поставке гидропривода колес передней оси.
Органы управления и кабина
Управление транспортными перемещениями и исполнительными органами осуществляется стандартным набором устройств механического исполнения, золотниками и клапанами гидросистемы.
Кабина на одно место из листового металла, с защитными функциями при опрокидывании и от падения случайных предметов (технологии ROPS и FOPS). Оборудована приборами вентиляции и отопления. Светотехнические приборы и набор зеркал позволяют визуально контролировать зону работ. Сиденье оператора-машиниста снабжено узлом подбора положения по высоте.
Принцип работы автогрейдера

Источник фото: exkavator.ruПринцип работы автогрейдера: срезать, переместить и распределить
С помощью отвала грейдера возможно срезать, перемещать и распределять грунт. Чтобы выполнить, например, профилирование поверхности перед укладкой асфальта, оператор автогрейдера делает несколько проходов, при этом рабочее оборудование должно каждый раз частично перекрывать предыдущий след. Таким образом достигается необходимая точность.
Если требуется обеспечить максимальную силу тяги и исключить пробуксовку колес, на помощь приходит устройство блокировки дифференциала заднего моста (мостов) автогрейдера. Также доступен режим «ползучей» передачи: в этом случае используется только передний привод, что позволяет машине при выполнении высокоточных операций двигаться максимально медленно. Для повышения боковой устойчивости конструкторами разработан передний управляемый мост с возможностью наклона колес (на угол до 20 град. вправо и влево от вертикали). Также можно изменять положение передней оси относительно рамы грейдера.
Грейдеры иностранного производства
- Caterpillar
Компания Caterpillar представлена на российском рынке грейдерами серии R и H. В каталоге компании находится более 10 моделей грейдеров с двигателями мощностью от 92 до 368 кВт. В агрегатах этой фирмы используется специально разработанная трансмиссия с прямым приводом, переключением при высокой нагрузке. Кроме этого, существует уникальная система регулировки колес, которая предотвращает их пробуксовку на низких передачах. Серия М – последняя из представленных у нас в стране. Отличается новыми двигателями мощностью 129 и 397 кВт, комфортабельной кабиной оператора и улучшенной эргономичностью. - New Holland
Свою линейку грейдеров представляет итальянская компания New Holland. Грейдер F 156.7 A, обладает очень впечатлительными характеристиками и по этой причине считается лучшим в классе 6WD. Максимальная эксплуатационная масса этой машины доходит до 18 000 кг. В комплектацию включены: передний отвал, рыхлитель, защита поворотного круга. На F 156.7A установлен двигатель мощностью 190 л. с., позволяющий легко проходить практически любую поверхность. - Volvo
На отечественном рынке также популярны автогрейдеры семейства Volvo Construction G-900. В них используются последние двигатели D-7 и D-9, которые характеризуются еще большей экономичностью по сравнению с предыдущими моделями и маленькой токсичностью исходящих газов, отвечающей всем требованиям стандарта Stage III. В G-900 используется умная технология управления мощностью двигателя, которая влияет на производительность и экономичность машины. Трансмиссия также представлена компанией Volvo. Имеются разновидности, среди которых встречаются 8 и 11-ступенчатые коробки передач. Одной из главных достоинств модели является наличие системы Contronics, которая записывает информацию о работе всех механизмов машины. В случае проблем, это помогает при проведении диагностики. - Mitsuber
Специально для России в 2004 году, ведущим концерном Гамбурга MITSUBER Baumaschinen, была создана марка дорожно-строительных машин — Mitsuber. Mitsuber выпускает легкие и средние грейдеры. В зависимости от комплектации, грейдеры оснащены рядом опций. К примеру, в некоторых моделях присутствуют: система автоматического нивелирования, передний отвал, рыхлитель, система кондиционирования. Один из популярных грейдеров GR-165 оборудован двигателем мощностью 114 кВт и способен достигать скорости 38 км/ч, при этом неся на себе 15 т груза.






































